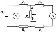
如左图所示,虚线方框内是由电阻、电源组成的线性网络电路,为了研究它的输出特性,将电流表、电压表、滑动变阻器按图的方式连接在它的输出端A、B之间.开关S闭合后,实验中记录的6组电流表示数I、电压表示数U如下表所示.
(1)试根据这些数据在坐标纸上画出U-I图线.

(2)若将方框内的电路等效成电动势为E、内电阻为r的电源,从图线上求出电源的电动势E=______V,内电阻r=______Ω.
(3)若电流表内阻为0,当滑动变阻器的滑片移至最上端时,电流表示数是______A.
(4)变阻器滑片移动过程中,滑动变阻器的最大功率是______W.
0 68003 68011 68017 68021 68027 68029 68033 68039 68041 68047 68053 68057 68059 68063 68069 68071 68077 68081 68083 68087 68089 68093 68095 68097 68098 68099 68101 68102 68103 68105 68107 68111 68113 68117 68119 68123 68129 68131 68137 68141 68143 68147 68153 68159 68161 68167 68171 68173 68179 68183 68189 68197 176998
| I(A) | U(V) |
| 0.06 | 2.54 |
| 0.10 | 2.50 |
| 0.20 | 2.39 |
| 0.30 | 2.38 |
| 0.40 | 2.20 |
| 0.50 | 2.10 |
(2)若将方框内的电路等效成电动势为E、内电阻为r的电源,从图线上求出电源的电动势E=______V,内电阻r=______Ω.
(3)若电流表内阻为0,当滑动变阻器的滑片移至最上端时,电流表示数是______A.
(4)变阻器滑片移动过程中,滑动变阻器的最大功率是______W.