搜索
如图所示,L
1
、L
2
是高压输电线,图中两电表示数分别是220V和10A,已知甲图中原 副线圈匝数比为 100:1,乙图中原副线圈匝数比为1:10,则( )
A.甲图中的电表是电压表,输电电压为22000V
B.甲图是电流互感器.输电电流是100A
C.乙图中的电表是电压表,输电电压为22000V
D.乙图是电流互感器,输电电流是100A
如图所示,图线a是线圈在匀强磁场中匀速转动时所产生正弦式电流的图象,当调整线圈转速后,所产生正弦式电流的图象如图线b所示,以下关于这两个正弦式电流的说法正确的是( )
A.在图中t=0时刻穿过线圈的磁通量均为零
B.线圈先后两次转速之比为3:2
C.正弦式电流a的瞬时值为μ=10sin5πtV
D.正弦式电流b的最大值为
V
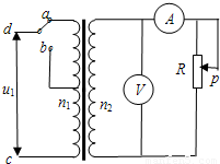
如图所示,理想变压器原、副线圈的匝数比为10:1,b是原线圈的中心抽头,电压表和电流表均为理想电表,从某时刻开始在原线圈c、d两端加上交变电压,其瞬时值表达式为u
1
=220
sin100πt(V),则( )
A.当单刀双掷开关与a连接时,电压表的示数为22V
B.当t=
s时,c、d间的电压瞬时值为110V
C.单刀双掷开关与a连接,在滑动变阻器触头P向上移动的过程中,电压表和电流表的示数均变小
D.当单刀双掷开关由a扳向b时,电压表和电流表的示数均变小
将一个半径为10cm的100匝圆形金属线框置于匀强磁场中,线框平面与磁场方向垂直,线框总电阻为3.14Ω,磁感应强度B随时间t的变化关系如图所示.则线框中感应电流的有效值为( )
A.
×10
-2
A
B.2
×10
-2
A
C.2
×10
-2
A
D.
×10
-2
A
有一个教学用的可拆变压器,如下图甲所示,它有两个外观基本相同的线圈A、B,线圈外部还可以绕线.
(1)某同学用一多用电表的同一欧姆挡先后测量了A、B线圈的电阻值,指针分别对应图乙中的a、b位置,则A线圈的电阻为
Ω,由此可推断
线圈的匝数较多(选填“A”或“B”).
(2)如果把它看做理想变压器,现要测量A线圈的匝数,提供的器材有:一根足够长绝缘导线、一只多用电表和低压交流电源,请完成实验的步骤填空:①用绝缘导线在线圈的外部或变压器的铁芯上绕制n匝线圈;
②将
线圈与低压交流电源相连接;
③用多用电表的
挡分别测量A线圈的输入电压U
A
和绕制线圈的输出电压U
④则A线圈的匝数为
.
有一种测量人体重的电子秤,其原理图如图中的虚线所示,它主要由三部分构成:踏板和压力杠杆AOB、压力传感器R(一个阻值可随压力大小而变化的电阻器)、显示体重的仪表G(其实质是电流表).其中AO:BO=5:1.已知压力传感器的电阻与其所受压力的关系如下表所示:
压力F/N
50
100
150
200
250
300
…
电阻R/Ω
300
270
240
210
180
150
120
…
设踏板的杠杆组件的质量不计,接通电源后,压力传感器两端的电压恒为4.68V,则:
(1)利用表中数据归纳出电阻R随压力F变化的函数关系式;
(2)该秤零刻度线(即踏板空载时的刻度线)应标在电流表刻度盘
毫安处?
(3)如果某人站在踏板上,电流表刻度盘示数为20mA,这个人的体重是
N?(F
体重
×OB=F×AB)
如图所示,边长为L的正方形线 圈abcd的匝数为n,线圈电阻为r,外电路的电阻为R,磁感应强度为B,电压表为理想交流电压表.现在线圈以角速度ω绕垂直于磁感线的对称轴OO′匀速转动,从线圈平面与磁感线平行开始计时.试求:
(1)闭合电路中电流瞬时值的表达式;
(2)电压表的示数
(3)线圈从t=0开始,转过90
的过程中,电阻R上通过的电荷量.
如图所示,一理想变压器原、副线圈的匝数比为n
1
:n
2
=10.原线圈接正弦交变电压U=100v,副线圈接有一个交流电流表和一个电动机.电动机线圈电阻为R=1Ω,当变压器的输入端接通电源后,电流表的示数为I=5A,电动机带动一质量为m=1kg的重物以速度v=4m/s匀速上升,(g=10m/s
2
).求
(1)电动机两端电压
(2)电动机的效率
(3)变压器的输入功率.
某小型发电站的发电机输出交流电压为500V,输出电功率为50kW,用电阻为3Ω的输电线向远处用户送电,要求输电线上损失的电功率是输送功率的0.6%,发电站要安装一个升压变压器,到达用户前再用降压变压器变为220V供用户使用,不考虑变压器的能量损失,求①输电线上输送电流 ②两个变压器原、副线圈的匝数比各是多少?
一块N型半导体薄片(称霍尔元件),其横载面为矩形,体积为b×c×d,如图所示.已知其单位体积内的电子数为n、电阻率为ρ、电子电荷量e.将此元件放在匀强磁场中,磁场方向沿Z轴方向,并通有沿x轴方向的电流I.
(1)此元件的CC′两个侧面中,哪个面电势高?
(2)试证明在磁感应强度一定时,此元件的CC′两个侧面的电势差与其中的电流成正比
(3)磁强计是利用霍尔效应来测量磁感应强度B 的仪器.其测量方法为:将导体放在匀强磁场之中,用毫安表测量通以电流I,用毫伏表测量C、C,间的电压U
CC′
,就可测得B.若已知其霍尔系数
.并测得U
CC′
=0.6mV,I=3mA.试求该元件所在处的磁感应强度B的大小.
0
65594
65602
65608
65612
65618
65620
65624
65630
65632
65638
65644
65648
65650
65654
65660
65662
65668
65672
65674
65678
65680
65684
65686
65688
65689
65690
65692
65693
65694
65696
65698
65702
65704
65708
65710
65714
65720
65722
65728
65732
65734
65738
65744
65750
65752
65758
65762
65764
65770
65774
65780
65788
176998
关 闭
试题分类
高中
数学
英语
物理
化学
生物
地理
初中
数学
英语
物理
化学
生物
地理
小学
数学
英语
其他
阅读理解答案
已回答习题
未回答习题
题目汇总
试卷汇总
练习册解析答案