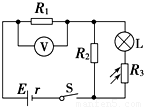
如图是某同学连接的实验实物图.闭合开关后A、B两灯都不亮.他采用下列两种方法对故障原因进行排查:(灯泡A、B的规格均为2.5V、1W,变阻器为10Ω、1A)
(1)应用多用表的直流电压档进行检查,那么选择开关应置于 档.
A、2.5V B、10V C、50V D、250V
该同学的测试结果如表1所示,则在测试a、b间直流电压时,红表笔应当接触 .(填a或b)
根据测量结果,可以判断的故障是:
A、灯A短路 B、灯B短路 C、c、d段断路 D、d、f段断路
(2)将开关断开,再选择欧姆挡测试,测量结果如表2所示,那么检查出的结果是:
A、灯A断路 B、灯B断路 C、灯A、B都断路 D、d、e间导线断路
表一
表二
0 62371 62379 62385 62389 62395 62397 62401 62407 62409 62415 62421 62425 62427 62431 62437 62439 62445 62449 62451 62455 62457 62461 62463 62465 62466 62467 62469 62470 62471 62473 62475 62479 62481 62485 62487 62491 62497 62499 62505 62509 62511 62515 62521 62527 62529 62535 62539 62541 62547 62551 62557 62565 176998
(1)应用多用表的直流电压档进行检查,那么选择开关应置于 档.
A、2.5V B、10V C、50V D、250V
该同学的测试结果如表1所示,则在测试a、b间直流电压时,红表笔应当接触 .(填a或b)
根据测量结果,可以判断的故障是:
A、灯A短路 B、灯B短路 C、c、d段断路 D、d、f段断路
(2)将开关断开,再选择欧姆挡测试,测量结果如表2所示,那么检查出的结果是:
A、灯A断路 B、灯B断路 C、灯A、B都断路 D、d、e间导线断路
表一
| 测试点 | 电压示数 |
| a、b | 有示数 |
| b、d | 有示数 |
| c、d | 无示数 |
| d、f | 有示数 |
| 测量点 | 表针偏转情况 |
| c、d | |
| d、e | |
| e、f |