表格中所列数据是测量小灯泡U-I关系的实验数据:

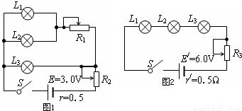
(1)分析上表内实验数据可知,应选用的实验电路图是图1中的图______;
(2)在图2 的方格纸内画出小灯泡的U-I曲线.分析曲线可知小灯泡的电阻随I变大而______(填“变大”、“变小”或“不变”);
(3)如图丙所示,用一个阻值为10Ω的定值电阻R和上述小灯泡组成串联电路,连接到内阻不计、电动势为3V的电源上.则流过灯泡的电流约为______A.
0 61110 61118 61124 61128 61134 61136 61140 61146 61148 61154 61160 61164 61166 61170 61176 61178 61184 61188 61190 61194 61196 61200 61202 61204 61205 61206 61208 61209 61210 61212 61214 61218 61220 61224 61226 61230 61236 61238 61244 61248 61250 61254 61260 61266 61268 61274 61278 61280 61286 61290 61296 61304 176998
| U(V) | 0.0 | 0.2 | 0.5 | 1.0 | 1.5 | 2.0 | 2.5 | 3.0 |
| I(A) | 0.000 | 0.050 | 0.100 | 0.150 | 0.180 | 0.195 | 0.205 | 0.215 |
(1)分析上表内实验数据可知,应选用的实验电路图是图1中的图______;
(2)在图2 的方格纸内画出小灯泡的U-I曲线.分析曲线可知小灯泡的电阻随I变大而______(填“变大”、“变小”或“不变”);
(3)如图丙所示,用一个阻值为10Ω的定值电阻R和上述小灯泡组成串联电路,连接到内阻不计、电动势为3V的电源上.则流过灯泡的电流约为______A.