如图所示,在磁感应强度为的匀强磁场中,导体棒AB的在金属框架上以的速度向右滑动,已知导体棒长为,电阻为,,其他电阻不计,则导体棒端点上的电压大小是 V, 电压高的点是______(A或B)
一台发电机产生的电动势的瞬时值表达式为:V,则此发电机产生的电动势的有效值为_______V,产生的交流电的频率为______Hz.
如图所示电路,当在、两端加上直流电压时,正常发光,不亮;当、两端加上同样电压的交变电流时,发光亮度变暗,而正常发光.则、分别为________和________.( 可选择:电阻、电容器、电感线圈 )
(8分)有一个边长为,匝数为匝的正方形闭合线圈处在磁场中,在秒时间内穿过闭合线圈的磁场的磁感应强度B按如图的B-t图所示的规律变化。求:
(1)闭合线圈中的感应电动势多大?
(2)如果闭合线圈的总电阻是,把一个电阻为的电热器连接在它的两端,在秒时间内通过电热器的电荷量多大?
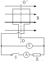
(10分)如图一台理想变压器,其原线圈匝,副线圈匝,并接一个的负载电阻,其它电阻均不计。求:
(1)当原线圈接在直流电源上时,电压表示数为多大?
(2)当原线圈接在输出电压的交变电源上时,电压表示数和电流表的示数各为多大?此时变压器的输入功率为多大?
(12分)如图所示为交流发电机示意图,匝数为匝的矩形线圈,边长分别为和,内阻为,在磁感应强度的匀强磁场中绕轴以的角速度匀速转动,线圈和外部的电阻相接.求:
(1)断开时,电压表示数;
(2)电键合上时,电压表和电流表示数;
(3)通过电阻的电流最大值是多少?电阻上所消耗的电功率是多少?
(12分)如图所示,处于匀强磁场中的两根足够长。电阻不计的平行金属导轨相距1m,导轨平面与水平面成370角,下端连接阻值为R的电阻。匀强磁场方向与导轨平面垂直。质量为0.2kg。电阻不计的金属棒放在两导轨上,棒与导轨垂直并保持良好接触,它们之间的动摩擦因数为0.25。求:
(1)求金属棒沿导轨由静止开始下滑时的加速度大小;
(2)当金属棒下滑速度达到稳定时,电阻消耗的功率为,求该速度的大小;
(3)在上问中,若,金属棒中的电流方向到,求磁感应强度的大小与方向。(取 ,,)
物理学的发展是许多物理学家奋斗的结果,下面关于一些物理学家的贡献说法正确的是
A.安培通过实验发现了通电导线对磁体有作用力,首次揭示了电与磁的联系
B.奥斯特认为安培力是带电粒子所受磁场力的宏观表现,并提出了著名的洛伦兹力公式
C.库仑在前人工作的基础上通过实验研究确认了真空中两个静止点电荷之间的相互作用力遵循的规律——库仑定律
D.法拉第不仅提出了电场的概念,而且采用了画电场线这个简洁的方法描述电场
下列选项对公式认识正确的是
A.公式可以用来求平行板电容器两极板间的匀强电场的电场强度,其中Q为一极板所带电量的绝对值,r为研究点到带正电极板的距离
B.P=I2R可用来计算电风扇正常工作时内阻的发热功率
C.由公式可知导体的电阻与加在导体两端电压成正比,与通过导体的电流成反比
D.由公式可知,磁场中某一点的磁感应强度由公式中的电流I的大小来决定
如图所示为一带电体的电场线,已知a、b、c为电场线上的点,其中a、b两点的电势关系为,分别用、表示a、b两点的电场强度,则下列说法正确的是
A.a、c两点所在的电场线方向由a指向c
B.a、c两点所在的电场线方向由c指向a
C.<
D.a、c两点处在同一等势面上