(1)如图是多用表的刻度盘,当选用量程为50mA的电流档测量电流时,表针指于图示位置,则所测电流为_____mA;若选用倍率为“×100”的电阻档测电阻时,表针也指示在图示同一位置,则所测电阻的阻值为_______Ω。如果要用此多用表测量一个约2.0×104Ω的电阻,为了使测量比较精确,应选的欧姆档是_________(选填“×10”、“×100”或“×1K”)。换档结束后,实验操作上首先要进行的步骤是____________。

 

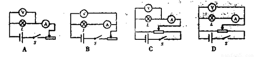
(2)在探究规格为“2.5,0.6W”小电珠伏安特性曲线实验中,该同学采用如右图乙所示的电路进行测量。现备有下列器材供选用:

A.量程是0~0.6A,内阻是0.5Ω的电流表

B.量程是0~3A,内阻是0.1Ω的电流表

C.量程是0~3V,内阻是6kΩ的电压表

D.量程是0~15V,内阻是30kΩ的电压表

E.阻值为0~1kΩ,额定电流为0.5A的滑动变阻器

F.阻值为0~10Ω,额定电流为2A的滑动变阻器

G.蓄电池(6V内阻不计)

H.开关一个,导线若干.

①.为使测量结果尽量准确,电流表应选用      ,电压表应选用     ,滑动变阻器应选用         .(只填字母代号)

②.在实验过程中,开关S闭合前,滑动变阻器的滑片P应置于最__________端。(填“左”或“右”)

③.该同学描绘出小电珠的伏安特性曲线示意图如图丙所示,则小电珠的电阻随工作电压的增大而__________(填:“不变”、“增大”或“减小”)

 

 

 0  60343  60351  60357  60361  60367  60369  60373  60379  60381  60387  60393  60397  60399  60403  60409  60411  60417  60421  60423  60427  60429  60433  60435  60437  60438  60439  60441  60442  60443  60445  60447  60451  60453  60457  60459  60463  60469  60471  60477  60481  60483  60487  60493  60499  60501  60507  60511  60513  60519  60523  60529  60537  176998 

违法和不良信息举报电话:027-86699610 举报邮箱:58377363@163.com

精英家教网