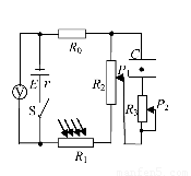
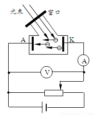
0  59179  59187  59193  59197  59203  59205  59209  59215  59217  59223  59229  59233  59235  59239  59245  59247  59253  59257  59259  59263  59265  59269  59271  59273  59274  59275  59277  59278  59279  59281  59283  59287  59289  59293  59295  59299  59305  59307  59313  59317  59319  59323  59329  59335  59337  59343  59347  59349  59355  59359  59365  59373  176998 

违法和不良信息举报电话:027-86699610 举报邮箱:58377363@163.com

精英家教网