在“描绘小灯泡的伏安特性曲线”的实验中,除有一标有“6 V,1.5 W”的小灯泡、导线和开关外,还有:
| A.直流电源6 V(内阻不计) | B.直流电流表0~3 A(内阻0.1 Ω以下) |
| C.直流电流表0~300 mA(内阻约为5 Ω) | D.直流电压表0~10 V(内阻约为15 kΩ) |
实验要求小灯泡两端的电压从零开始变化并能进行多次测量.
(1)实验中电流表应选用__ _____,滑动变阻器应选用_______(均用序号表示).
(2)在方框内画出实验电路图.
(3)如图所示实物电路部分导线已画出,试将实物图补充完整.
某同学利用电流、电压传感器描绘小灯泡的伏安特性曲线,采用了如图甲所示的电路。实验中得出了如下一组数据:
| 电流(A) | 0.00 | 0.10 | 0.20 | 0.30 | 0.36 | 0.39 | 0.41 | 0.43 |
| 电压(V) | 0.00 | 0.20 | 0.50 | 1.00 | 1.50 | 2.00 | 2.50 | 3.00 |
(2)在图乙中画出小灯泡的U—I图线;
(3)把与本题中相同的两个灯泡接到如图丙所示的电路中,若电源电动势E=4.5V,内阻不计,定值电阻R=10Ω,此时每个灯泡的实际功率是 W。(结果保留两位有效数字)
某同学测绘标有“12 V、5 W”的小灯泡的电功率随电压变化的图象,为了使测量尽可能准确,要使小灯泡的两端电压从0~12V连续变化。除了导线和电键外,可供选择的仪器还有:
| A.电流表:量程0~0.6 A,内阻约1欧姆 |
| B.电流表:量程0~3 A,内阻约0.2欧姆 |
| C.电压表:量程0~3 V,内阻约2 kΩ |
| D.电压表:量程0~15V,内阻约为4.5 kΩ |
F.滑线变阻器:阻值范围0~2 kΩ。额定电流0.5A
G.电池组:电动势12V,内阻不计;
(1)选用器材代号为_______________;
(2)在方框中画出实验电路图;
(3)某位同学测得小电珠的伏安特性曲线如图所示,某次测量时,电流表读数为0.40 A,此时小灯泡的实际功率为________W.
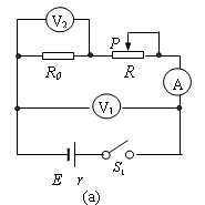
两位同学在实验室利用图(a)所示的电路测定定值电阻R0、电源的电动势E和内电阻r。调节滑动变阻器的滑动触头P向某一方向移动时,一个同学记录了电流表A和电压表V1的测量数据,另一同学记录的是电流表A和电压表V2的测量数据.并根据数据描绘了如图(b)所示的两条U—I直线.回答下列问题:![]()
![]()
(1)根据甲乙两同学描绘的直线,可知 ( )
| A.甲同学根据电压表V1和电流表A的数据 |
| B.甲同学根据电压表V2和电流表A的数据 |
| C.乙同学根据电压表V1和电流表A的数据 |
| D.乙同学根据电压表V2和电流表A的数据 |