(11分)利用如图所示的电路测定电源的电动势和内电阻,提供的器材有![]()
![]()
(A)干电池两节,每节电池的电动势约为1.5V,内阻未知
(B)直流电压表V1、V2,内阻很大
(C)直流电流表A,内阻可忽略不计
(D)定值电阻R0,阻值未知,但不小于5Ω
(E)滑动变阻器
(F)导线和开关
(1)甲同学利用该电路完成实验时,由于某根导线发生断路故障,因此只记录了一个电压表和电流表的示数,如下表所示:
| U/V | 2.62 | 2.48 | 2.34 | 2.20 | 2.06 | 1.92 |
| I/A | 0.08 | 0.12 | 0.19 | 0.20 | 0.24 | 0.28 |
试利用表格中数据作出U-I图,由图象可知,测得两节干电池总的电动势值为 V,总内阻为 Ω。由计算得到的数据可以判断能够正确示数的电压表应为表 (选填“V1”或“V2”)。
(2)乙同学在找出断路的导线并调换好的导线后,连接该电路继续实验时,由于电流表发生短路故障,因此只能记下两个电压表的示数,该同学利用表中的数据,以表V1的示数U1为横坐标、表V2的示数U2为纵坐标作图象,也得到一条不过原点的直线,已知直线的斜率为k,截距大小为b,则两节干电池总的电动势大小为 ,两节干电池的总内阻 (选填“可以”或“不可以”)求出。
为了探究木块A和B之间的动摩擦因数,某同学设计了一个实验,图甲为实验装置示意图,该同学在实验中的主要操作有:![]()
| A.用弹簧秤测出木块A的重力为G=6.00N |
| B.用弹簧秤测出木板B的重力为G′=9.25N |
| C.按图甲所示安装器材,安装过程中用手按住木块和木板 |
| D.松开按住木块和木板的手让其运动,并即刻读出弹簧秤的示数 |
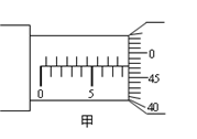
(2)在听取意见后,该同学按正确方法操作,读数时弹簧秤的指针位置如图乙所示,其示数____N,根据该同学的测量数据,可得到A和B之间的动摩擦因数为_ ___。
关于高中物理实验,下列说法中正确的是
| A.利用打点计时器“研究匀变速直线运动规律”的实验中,可以利用纸带打出的点迹间接测得物体的运动速度 |
| B.在“验证力的平行四边形定则”实验中,要使力的作用效果相同,只需橡皮条具有相同的伸长量 |
| C.在“验证牛顿第二定律”实验中,采用了控制变量的实验方法 |
| D.在“验证机械能守恒定律”的实验中,应该先释放重物后接通电源 |
某同学在做“互成角度的两个力的合成”的实验时,利用坐标纸记下了橡皮筋的结点位置O点以及两只弹簧测力计拉力的大小,如图(a)所示.![]()
【小题1】有关此实验,下列叙述正确的是 .
| A.两弹簧测力计的拉力可以同时比橡皮筋的拉力大 |
| B.橡皮筋的拉力是合力,两弹簧测力计的拉力是分力 |
| C.两次拉橡皮筋时,需将橡皮筋结点拉到同一位置O.这样做的目的是保证两次弹簧测力计拉力的效果相同 |
| D.若只增大某一只弹簧测力计的拉力大小而要保证橡皮筋结点位置不变,只需调整另一只弹簧测力计拉力的大小即可 |
答: (填“甲”、“乙”)
mm。