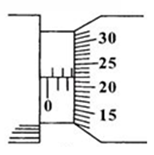
【小题1】如图甲、乙所示是螺旋测微器和游标卡尺测量工件长度时的情形。螺旋测微器读数为____ _____mm。游标卡尺读数为__ _mm。
【小题2】在用如图所示装置做“探究功与速度变化的关系”的实验时,下列说法中正
确( )![]()
| A.长木板要适当倾斜,以平衡小车运动过程中受到的阻力 |
| B.每次实验必须设法算出橡皮筋对小车做功的具体数值 |
| C.每次实验中,橡皮筋拉伸的长度没有必要保持一致 |
| D.利用纸带上的点计算小车的速度时,应选用纸带上打点均匀部分进行计算 |
【小题1】如图甲、乙所示是螺旋测微器和游标卡尺测量工件长度时的情形。螺旋测微器读数为____ _____mm。游标卡尺读数为__ _mm。
【小题2】在用如图所示装置做“探究功与速度变化的关系”的实验时,下列说法中正
确( )![]()
| A.长木板要适当倾斜,以平衡小车运动过程中受到的阻力 |
| B.每次实验必须设法算出橡皮筋对小车做功的具体数值 |
| C.每次实验中,橡皮筋拉伸的长度没有必要保持一致 |
| D.利用纸带上的点计算小车的速度时,应选用纸带上打点均匀部分进行计算 |