某同学用伏安法测电阻时,分别采用了内接法和外接法,测得的某电阻Rx的阻值分别为R1和R2,则所测阻值与真实值Rx间的关系为 ( )
| A.R1>Rx>R2 | B.R1<Rx<R2 |
| C.R1>R2>Rx | D.R1<R2<Rx |
如图a、b所示的两个电路中,电阻R、电流表、电压表和电池都是相同的,电池的内阻相对于电阻R的大小可以忽略。闭合开关后,图a、b电路中电压表和电流表的示数Va、Vb和Ia、Ib的大小不相同,它们的关系正确的是:( )![]()
| A.Va<Vb | B.Ia<Ib | C.Va/Ia>Vb/Ib | D.Va/Ia<Vb/Ib |
用两只完全相同的电流表,分别改装成一只量程为5V和一只量程为10V的电压表V1和V2,将它们串联起来接入电路中,如图所示,关于两只电表,说法正确的是( )![]()
| A.偏转角相同 | B.偏转角不相同 |
| C.示数相同 | D.示数不相同 |
已知G表的内阻100Ω,满偏电流300μA,若改装成0.6A量程的电流表,则应:( )
| A.串联一个199900Ω电阻 | B.串联一个0.05Ω电阻 |
| C.并联一个199900Ω电阻 | D.并联一个0.05Ω电阻 |
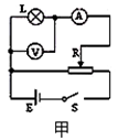
如图所示,甲、乙两个电路都是由一个灵敏电流表G和一个变阻器R组成的,下列说法正确的是( )![]()
①甲表是安培表,R增大时量程增大
②甲表是安培表,R增大时量程减小
③乙表是伏特表,R增大时量程增大
④乙表是伏特表,R增大时量程减小
| A.①③ | B.①④ |
| C.②③ | D.②④ |
下述关于用多用表欧姆档测电阻的说法中错洖的是
| A.测量电阻时,如果红、黑表笔分别插在负、正插孔,不会影响测量结果 |
| B.测量电路中的某个电阻,应该把该电阻与电路断开 |
| C.测量阻值不同的电阻时都必须重新电阻调零 |
| D.测量阻值不同的电阻时,只要不换档就不需重新电阻调零 |
有一标有为“220V,100W”的灯泡,现用一标准的欧姆表测其电阻,测量结果其电阻
| A.小于484Ω | B.等于484Ω |
| C.大于484Ω | D.无法确定 |
在“用电流表和电压表测定电池的电动势和内电阻”的实验中,某同学通过测量两个电池的电流和电压,得到了如图所示的U—I图线,从图象中可以看出( )![]()
| A.电池a的电动势较大,内电阻较大 |
| B.电池a的电动势较小,内电阻较小 |
| C.电池b的电动势较小,内电阻较大 |
| D.电池b的电动势较大,内电阻较小 |