如图所示的图线①表示某电池组的输出电压与电流的关系(U-I图线),图线②表示其输出功率与电流的关系(P-I图线).则下列说法正确的是( )![]()
| A.电池组的电动势为50 V |
| B.电池组的内阻为 |
| C.电流为2.5 A时,外电路的电阻为15 Ω |
| D.输出功率为120 W时,输出电压是30 V |
在《测定电池的电动势和内电阻》的实验中,待测电池、开关和导线配合下列哪些仪器.可以达到测定目的( )
| A.一只电流表和一只滑动变阻器 | B.一只电流表和一只电压表 |
| C.一只电流表和一只电阻箱 | D.一只电压表和一只电阻箱 |
一个电流表的满偏电流Ig=1mA,内阻Rg=500Ω。要把它改装成一个量程为10V的电压表,则应在电流表上
| A.串联一个10kΩ的电阻 | B.并联一个10kΩ的电阻 |
| C.串联一个9.5kΩ的电阻 | D.并联一个9.5kΩ的电阻 |
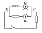
在右图所示的电路中,两个灵敏电流表
和
的零点都在刻度盘中央,当电流从“+”接线柱流入时,指针向右摆;电流从“-”接线柱流入时,指针向左摆.在电路接通后再断开的瞬间,下列说法中符合实际情况的是 ( )![]()
| A. |
| B. |
| C. |
| D. |
两个相同的小量程电流表表头分别改装成两个电流表A1、A2.已知电流表A1量程大于A2的量程,改装好后把它们按图接入电路,则 ( )![]()
| A.电流表A1的读数小于电流表A2的读数 |
| B.电流表A1的读数等于电流表A2的读数 |
| C.电流表A1的偏转角等于电流表A2的偏转角 |
| D.电流表A1的偏转角小于电流表A2的偏转角 |
用多用电表的欧姆挡的“×10Ω”挡测量一个电阻的阻值,发现表的指针偏转角度极小,为了准确测定该电阻的阻值,正确的判断和做法是( )
| A.这个电阻的阻值比较大 |
| B.应把选择开关换到“×1Ω”挡,重新进行欧姆调零后再测量 |
| C.应把选择开关换到“×100Ω”挡,重新进行欧姆调零后再测量 |
| D.为了使测量值比较准确,应该用两手分别将两表笔与待测电阻两端紧紧捏在一起,使表笔与待测电阻接触良好 |
如图所示,是一个小灯泡的电流强度随小灯泡两端电压变化的关系图,则根据小灯泡的伏安特性曲线可判定下列说法中正确的是![]()
| A.小灯泡的电阻随着所加电压的增加而减小 |
| B.小灯泡灯丝的电阻率随着灯丝温度的升高而减小 |
| C.欧姆定律对小灯泡不适用 |
| D.如果把三个这种相同的灯泡串联后,接到电压恒为12V的电源上,则流过每个小灯泡的电流为0.4A |
如图为两个不同闭合电路中两个不同电源的U-I图象,则下列说法正确的是![]()
| A.电动势E1=E2,发生短路时的电流I1>I2 |
| B.电动势E1=E2,内阻r1>r2 |
| C.电动势E1=E2,内阻r1<r2 |
| D.电流相同时,电源1的输出功率大 |
欧姆表电路及刻度盘如图所示,现因表头损坏,换用一个新表头.甲表头满偏电流为原来表头的2倍,内阻与原表头相同;乙表头满偏电流与原表头相同,内阻为原表头的2倍,则换用甲表头和换用乙表头后刻度盘的中值电阻分别为. ( )![]()
| A.100Ω,100Ω | B.200Ω,100Ω |
| C.50Ω,100Ω | D.100Ω,200Ω |
奥斯特实验可以证明的是( )
| A.电流的热效应 | B.电流的化学效应 |
| C.电流的磁效应 | D.电磁感应 |