如图所示,四个相同的表头分别改装成两个安培表和两个伏特表。安培表A1的量程大于A2的量程,伏特表V1的量程大V2的量程,把它们按图接入电路,则
①安培表A1的读数大于安培表A2的读数;
②安培表A1的偏转角小于安培表A2的偏转角;
③伏特表V1的读数小于伏特表V2的读数;
④伏特表V1的偏转角等于伏特表V2的偏转角;![]()
| A.①②; | B.②③; | C.③④; | D.④① |
如图所示,四个相同的电流表分别改装成两个安培表和两个伏特表,安培表A1的量程大于A2的量程,伏特表V1的量程大于V2的量程,把它们按图接入电路中,则下列说法正确的是![]()
| A.安培表A1的偏转角大于安培表A2的偏转角 |
| B.安培表A1的读数大于安培表A2的读数 |
| C.伏特表V1的读数小于伏特表V2的读数 |
| D.伏特表V1的偏转角等于伏特表V2的偏转角 |
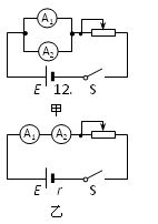
用两个相同的小量程电流表,分别改装成了两个量程不同的大量程电流表A1、A2,若把A1、A2分别采用并联或串联的方式接入电路,如图所示,则闭合电键后,下列有关电表的示数和电表指针偏转角度的说法正确的是 ( ) ![]()
| A.图甲中的A1、A2的示数相同 |
| B.图甲中的A1、A2的指针偏角相同 |
| C.图乙中的A1、A2的示数和偏角都不同 |
| D.图乙中的A1、A2的指针偏角相同 |
实验桌上放着晶体二极管、电阻、电容各一只;性能均正常,外形十分相似.现将多用电表转换开关拨到R×1000档,分别测它们的正反电阻加以鉴别.测甲元件时,R正= R反 =0.5kΩ;测乙元件时,R正=0.5kΩ,R反=l00kΩ;测丙元件时,开始指针偏转到0.5 kΩ,接着读数逐渐增加,最后停在100 kΩ上.则甲、乙、丙三个元件分别是 ( )
| A.电容、电阻、二极管 | B.电阻、电容、二极管 |
| C.电阻、二极管、电容 | D.二极管、电阻、电容 |
如图是一个小灯泡的电流强度随小灯泡两端电压变化的关系图,则可判定下列说法正确的是( )
| A.该图线的斜率变化与小灯泡的电阻的变化特点相反 |
| B.小灯泡灯丝的电阻率随着灯丝温度的升高而减小 |
| C.欧姆定律对小灯泡不再适用 |
| D.小灯泡两端电压为4 V时,小灯泡消耗的功率为1.6 W |
用伏安法测电阻时,按甲图所示电路测得的结果是R1,按乙图所示电路测得的结果是R2,若电阻的真实值是R,则![]()
| A.R1>R>R2 |
| B.R1<R<R2 |
| C.R<R1,R<R2 |
| D.R>R1,R>R2 |
现在要测量一只额定电压为U=3 V的小灯泡L的额定功率P(约为0.3 W).实验室备有如下器材:![]()
电流表 (量程200 mA,内阻r1=10 Ω)
电流表 (量程300 mA,内阻约为几欧姆)
定值电阻R(10 Ω)
滑动变阻器R1(0~100 Ω,0.5 A)
电源E(E=5 V,r≈1 Ω)
单刀开关一个、导线若干
(1)设计出实验电路,画在下面的虚线框内.
(2)按(1)中设计的电路图把图实-6-18中仪器连接起来;
(3)写出主要的操作步骤:
________________________________________________________________________
________________________________________________________________________
________________________________________________________________________.
(4)实验中计算灯泡额定功率的表达式为________.
(必须用题中给定的符号及你在(3)中设计的记录符号来表示)
在“描绘小灯泡的伏安特性曲线”的实验中,用导线a、b、c、d、e、f、g和h按图所示方式连接好电路,电路中所有元器件都完好,且电压表和电流表已调零.闭合开关后:![]()
(1)若不管怎样调节滑动变阻器,小灯泡亮度能发生变化,但电压表、电流表的示数总
不能为零,则可能是________导线断路.
(2)某同学测出电源和小灯泡的U-I图线如图实所示,将小灯泡和电阻R串联
后接到电源上,要使电路中电流为1.0 A,则R=________Ω.![]()
(3)某同学在实验中还测出a、b、c三种元件的伏安特性曲线分别如图中的(a)、
(b)、)(c)所示,下列说法正确的是 ( )![]()
| A.a可以作为标准电阻使用 |
| B.b能作为标准电阻使用 |
| C.b的阻值随电压升高而增大 |
| D.c的阻值随电压升高而增大 |