下列说法正确的是( )
| A.光滑水平面上加速运行的物体,由于速度增大,每个分子速度也增大了,所以分子的平均动能增大,内能和机械能都增大 |
| B.能量在利用过程中,总是由高品质的能量最终转化为低品质的内能 |
| C.温度高的物体中的每一个分子的动能,一定大于温度低的物体中的每一个分子的动能 |
| D.温度高的物体中的每一个分子运动的速率,一定比温度低的物体中的每一个分子的运动的速率大 |
下列关于内能的说法中,正确的是( )
| A.不同的物体,若温度相等,则内能也相等 |
| B.物体速度增大,则分子动能增大,内能也增大 |
| C.对物体做功或向物体传热,都可能改变物体的内能 |
| D.冰熔解成水,温度不变,则内能也不变 |
下列说法正确的是( )
| A.第二类永动机与第一类永动机一样违背了能量守恒定律 |
| B.自然界中的能量是守恒的,所以能量永不枯竭,不必节约能源 |
| C.自然界中有的能量便于利用,有的不便于利用 |
| D.不可能让热量由低温物体传递给高温物体而不引起其它任何变化 |
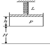
如图,气缸悬挂在弹簧下,缸内密闭了一定质量的理想气体,活塞与缸壁间的摩擦不计,若缸内气体的温度升高到某一数值, 下列物理量发生变化的是( )(气缸足够深)![]()
| A.活塞的高度h | B.缸体的高度H |
| C.气体的压强p | D.弹簧的长度L |
(1)下列说法中正确的有 。(填入正确选项前的字母)
| A.第二类永动机和第一类永动机一样,都违背了能量守恒定律 |
| B.自然界中的能量虽然是守恒的,但有的能量便于利用,有的不便于利用,故要节约能源 |
| C.若气体的温度随时间不断升高,其压强也一定不断增大 |
| D.晶体都具有固定的熔点 |
下列有关物体内能改变的判断中,正确的是( ▲ )
| A.外界对物体做功,物体的内能一定增加 |
| B.外界对物体传递热量,物体的内能一定增加 |
| C.物体对外界做功,物体的内能可能增加 |
| D.物体向外界放热,物体的内能可能增加 |
(2012年2月湖南部分学校联考)下列说法正确的是_________(填入选项前的字母代号)
| A.水的体积很难被压缩,这是分子间存在斥力的宏观表现 |
| B.气体总是很容易充满容器,这是分子间存在斥力的宏观表现 |
| C.温度高的物体内能不一定大,但分子平均动能一定大 |
| D.即使气体的温度很高,仍有一些分子的运动速率是非常小的 |
(2012年开封二模)下列说法正确的是:
| A.做功和热传递在改变物体内能上是等效的 |
| B.布朗运动就是液体分子的热运动 |
| C.分子间的引力和斥力是不能同时存在的,有引力就不会有斥力 |
| D.—定质量的理想气体的内能只与温度有关,温度越高,内能越大 |
下列说法中正确的是 :
| A.第二类永动机不可能制成是因为它违反了能量守恒定律 |
| B.悬浮微粒越大,在某一瞬间撞击它的液体分子数就越多,布朗运动越明显 |
| C.内能向机械能转化是有条件的,即环境中必须存在温度差,通过科技创新,我们能够研制出内能全部转化为机械能的热机 |
| D.温度升高,分子热运动的平均动能一定增大,但并非所有分子的速率都增大 |
下列说法正确的是
| A.在完全失重的情况下,密闭容器内的气体对器壁顶部没有作用力 |
| B.第二类永动机不可能是因为它违背了能量守恒定律 |
| C.布朗运动间接的证明液体内部分子不停做无规则运动 |
| D.晶体的物理性质都是各项异性的 |