某校中学生参加电视台”异想天开”节目的活动,他们提出了下列四个设想方案,从理论上讲可行的是( )
| A.制作一个装置从海水中吸收内能全部用来做功 |
| B.制作一种制冷设备,使温度降至绝对零度以下 |
| C.汽车尾气中各类有害气体排入大气后严重污染了空气,想办法使它们自发地分离,既清洁了空气,又变废为宝 |
| D.将房屋顶盖上太阳能板,可直接用太阳能来解决照明和热水问题 |
以下说法中正确的是( )
| A.第一类永动机的思想违背了能量守恒定律,所以是不可能制成的 |
| B.气体体积等于各个气体分子的体积之和 |
| C.热力学温标的零度是-273.15℃,叫绝对零度 |
| D.一种液体能否浸润某种固体,与这两种物质的性质都有关系 |
下列说法中正确的是:
| A.物体吸收热量,其内能必增加 |
| B.外界对物体做功,物体内能必增加 |
| C.物体吸收热量,同时对外做功,其内能可能减少 |
| D.物体温度不变,其内能也一定不变 |
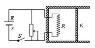
如图所示,电路与一绝热汽缸相连,R为电热丝,汽缸内封闭着一定质量的气体,不考虑分子间的相互作用力,外界大气压强恒定,闭合电键后,绝热活塞K缓慢且无摩擦地向右移动,则下列说法正确的是![]()
| A.气体的内能增大 |
| B.气体分子平均动能不变 |
| C.电热丝放出的热量等于气体对外所做的功 |
| D.单位时间内碰撞到器壁单位面积上的分子数减少 |
下列关于能源的说法中正确的是
| A.二次能源是指可重复利用的能源 | B.新能源是指新开采的能源 |
| C.一次能源是直接来自自然界的能源 | D.石油是二次能源 |
下列关于能量转化或转移过程的说法中正确的是
| A.摩擦生热的过程是不可逆过程 |
| B.所有能量守恒的过程都能自发地发生 |
| C.空调既能制热又能制冷,说明热传递不存在方向性 |
| D.能的转化过程符合能量守恒定律,因此不会发生能源危机 |
下列说法正确的是 ( )
| A.甲分子固定不动,乙分子从很远处向甲靠近到不能再靠近的过程中,分子间的分子势能是先减少后增大 |
| B.一定量的理想气体在体积不变的条件下,吸收热量,内能和压强一定增大 |
| C.已知阿伏伽德罗常数为NA,水的摩尔质量为M,标准状况下水蒸气的密度为 |
| D.第二类永动机不可能制成是因为它违背热力学第二定律 |
关于热力学第二定律,下列说法正确的是
| A.热量不可能从低温物体传递到高温物体 |
| B.热量只能从高温物体传递到低温物体 |
| C.从单一热源吸收热量并把它全部用来对外做功是不可能的 |
| D.从单一热源吸收热量并把它全部用来对外做功而不产生其他变化是不可能的 |
下列说法正确的是 ( )
| A.大量分子的无规则运动是有统计规律的 |
| B.当物体温度升高时,每个分子运动都加快 |
| C.气体的体积等于气体分子体积的总和 |
| D.液体中悬浮微粒的布朗运动是作无规则运动的液体分子撞击微粒而引起的 |