如图所示,空间存在水平向左的匀强电场和垂直纸面向里的匀强磁场,电场和磁场相互垂直。在电磁场区域中,有一个固定在竖直平面内的光滑绝缘圆环,环上套有一个带正电的小球。O点为圆环的圆心,a、b、c为圆环上的三个点,a点为最高点,c点为最低点, bO沿水平方向。已知小球所受电场力与重力大小相等。现将小球从环的顶端a点由静止释放,下列判断正确的是![]()
| A.当小球运动到b点时,洛伦兹力最大 |
| B.当小球运动到c点时,小球受到的支持力一定大于重力 |
| C.小球从a点运动到b点,重力势能减小,电势能增大 |
| D.小球从b点运动到c点,电势能增大,动能先增大后减小 |
如右图所示,在某一真空中,只有水平向右的匀强电场和竖直向下的重力场,在竖直平面内有初速度为v0的带电微粒,恰能沿图示虚线由A向B做直线运动.那么( )![]()
| A.微粒带正、负电荷都有可能 |
| B.微粒做匀减速直线运动 |
| C.微粒做匀速直线运动 |
| D.微粒做匀加速直线运动 |
在图中虚线所示的区域存在匀强电场和匀强磁场。取坐标如图。一带电粒子沿x轴正方向进入此区域,在穿过此区域的过程中运动方向始终不发生偏转。不计重力的影响,电场强度E和磁感强度B的方向可能是![]()
| A.E和B都沿x轴正方向 | B.E沿y轴正向,B沿z轴正向 |
| C.E沿x轴正向,B沿y轴正向 | D.E、B都沿z轴正向 |
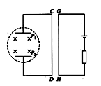
霍尔效应广泛应用于半导体材料的测试和研究中,例如应用霍尔效应测试半导体是电子型还是空穴型,研究半导体内载流子浓度的变化等。在霍尔效应实验中,如图所示,
宽为
cm,
长为4cm,
厚为
cm的导体,沿
方向通有3A的电流,当磁感应强度
的匀强磁场垂直向里穿过
平面时,产生了
V的霍尔电压,(已知导体内定向移动的自由电荷是电子),则下列说法正确的是![]()
| A.在导体的前表面聚集自由电子,电子定向移动的速率 |
| B.在导体的上表面聚集自由电子,电子定向移动的速率 |
| C.在其它条件不变的情况下,增大 |
| D.每立方米的自由电子数为 |
如图所示,用绝缘细线拴一个带负电的小球,带电量为q,让它在竖直向下的匀强电场中(场强为E)绕O点做竖直平面内的匀速圆周运动,a、b两点分别是圆周的最高点和最低点,不计空气阻力。则下列说法中正确的是![]()
| A.小球质量为qE/g |
| B.小球在运动中机械能守恒 |
| C.小球经过a点时,机械能最大 |
| D.小球经过a点时,电势能最大 |
地面上空同时存在着匀强的电场与磁场,一质量为m的带正电小球,在该区域内沿水平方向向右做直线运动,如图所示,关于场的分布情况可能的是( )![]()
| A.该处电场方向和磁场方向重合 |
| B.电场竖直向上,磁场垂直纸面向里 |
| C.电场斜向里侧上方,磁场斜向外侧上方,均与v垂直 |
| D.电场水平向右,磁场垂直纸面向里 |
电磁血流计是用来监测通过动脉的血流速度的仪器。它由一对电极a和b以及磁极N和S构成,磁极间的磁场是均匀的。使用时,两电极a、b均与血管壁接触,两触点的连线、磁场方向和血流速度方向两两垂直,如图所示。由于血液中的正负离子随血流一起在磁场中运动,电极a、b之间会有微小电势差U。在达到平衡时,血管内部的电场可看作是匀强电场,血液中的离子所受的电场力和磁场力的合力为零。则达到平衡时( )![]()
| A.电极a的电势比电极b的电势高 |
| B.电极b的电势比电极a的电势高 |
| C.电压表示数U与血液流速成正比 |
| D.电压表示数U与血液中正负离子的电荷量成正比 |
如图所示,空间存在相互垂直的匀强电场和匀强磁场,电场的方向竖直向下,磁场方向水平(图中垂直于纸面向里),一带电液滴P恰好处于静止状态,则下列说法正确的是![]()
| A.若撤去电场,P可能做匀加速直线运动 |
| B.若撤去磁场,P可能做匀加速直线运动 |
| C.若给P一初速度,P可能做匀速直线运动 |
| D.若给P一初速度,P可能做顺时针方向的匀速圆周运动 |