如图所示,带电平行板中匀强电场方向竖直向下,匀强磁场方向水平向里,一带电小球从光滑绝缘轨道上的a点自由滑下,经过轨道端点P进入板间恰好沿水平方向做直线运动.现使球从轨道上较低的b点开始滑下,经P点进入板间后,在板间运动过程中( )![]()
| A.小球动能将会增大 |
| B.小球的电势能将会减少 |
| C.小球所受的洛伦兹力将会增大 |
| D.因不知道小球的带电性质,不能判断小球的动能如何变化 |
如图所示,一束质量、速度和电荷量不同的正离子垂直地射入匀强磁场和匀强电场正交的区域里,结果发现有些离子保持原来的运动方向,有些未发生任何偏转。如果让这些不偏转的离子进入另一匀强磁场中,发现这些离子又分裂成几束,对这些进入另一磁场的离子,可得出结论( )![]()
| A.它们的动能一定各不相同 | B.它们的电荷量一定各不相同 |
| C.它们的质量 | D.它们的电荷量与质量之比一定各不相同 |
如图所示,m=2.00×10-10kg的小球(可看成质点),带电量q=+8.00×10-8C,以初速度v0=1.00×102m/s从A点进入足够大的M、N板之间的区域,M、N间距离L=2.00m,电场强度E=2.50×10-2N/C,方向竖直向上,磁感应强度B=0.250T,方向水平向右。在小球运动的正前方固定一个与水平方向成θ=45°足够小的绝缘薄板,假设小球与薄板碰撞时无机械能损失,取g=10m/s2则 ( )![]()
| A.带电小球不能到达N板 |
| B.带电小球能到达N板,且需2.00×10-2s时间 |
| C.带电小球能到达N板,且需8.28×10-2s时间 |
| D.带电小球能到达N板,因未知绝缘薄板与A点的距离,所以无法确定所需时间 |
如图所示,在同时存在匀强电场、匀强磁场的空间中取正交坐标系Oxyz(z轴正方向竖直向上),一质量为m、电荷量为q的带正电粒子(重力不能忽略)从原点O以速度 v沿x轴正方向出发。下列说法正确的是( )![]()
| A.若电场、磁场分别沿z轴正方向和x轴正方向,粒子只能做曲线运动 |
| B.若电场、磁场均沿z轴正方向, 粒子有可能做匀速圆周运动 |
| C.若电场、磁场分别沿y轴负方向和z轴正方向,粒子有可能做平抛运动 |
| D.若电场、磁场分别沿z轴正方向和y轴负方向,粒子有可能做匀速直线运动 |
如图所示,在第二象限内有水平向右的匀强电场,电场强度为E,在第一、第四象限内分别存在如图所示的匀强磁场,磁感应强度大小相等. 有一个带电粒子以初速度v0垂直x轴,从x轴
上的P点进入匀强电场,恰好与y轴成45°角射出电场,再经过一段时间又恰好垂直于x轴进入下面的磁场.已知OP之间的距离为d,则带电粒子( )
| A.在电场中运动的时间为 |
| B.在磁场中做圆周运动的半径为 |
| C.自进入磁场至第二次经过x轴所用时间为 |
| D.自进入电场至在磁场中第二次经过x轴的时间为 |
带电粒子垂直进入匀强电场或匀强磁场中时粒子将发生偏转,称这种电场为偏转电场,这种磁场为偏转磁场.下列说法错误的是(重力不计):
| A.欲把速度不同的同种带电粒子分开,既可采用偏转电场,也可采用偏转磁场 |
| B.欲把动能相同的质子和α粒子分开,只能采用偏转电场 |
| C.欲把由静止经同一电场加速的质子和α粒子分开,偏转电场和偏转磁场均可采用 |
| D.欲把初速度相同而比荷不同的带电粒子分开,偏转电场和偏转磁场均可采用 |
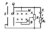
如图所示,相距为d的水平金属板M、N的左侧有一对竖直金属板P、Q,板P上的小孔S正对板Q上的小孔O,M、N间有垂直于纸面向里的匀强磁场,在小孔S处有一带电粒子,其重力和初速度均不计,当滑动变阻器的滑片在AB的中点时,带电粒子恰能在M、N间做直线运动,当调节电阻箱,使R0稍稍减小后![]()
| A.粒子带正、负电均可能 |
| B.粒子在M、N间运动过程中,机械能一定不变 |
| C.粒子在M、N间运动过程中,电势能一定增大 |
| D.粒子在M、N间运动过程中,动能一定增大 |
如图所示,a、b是一对平行金属板,分别接到直流电源两极上,右边有一档板,正中间开有一小孔d,在较大空间范围内存在着匀强磁场,磁感强度大小为B,方向垂直纸面向里,在a、b两板间还存在着匀强电场E. 从两板左侧中点C处射入一束正离子(不计重力),这些正离子都沿直线运动到右侧,从d孔射出后分成3束.则下列判断正确的是
| A.这三束正离子的速度一定不相同 |
| B.这三束正离子的比荷一定不相同 |
| C.a、b两板间的匀强电场方向一定由a指向b |
| D.若这三束粒子改为带负电而其它条件不变则仍能从d孔射出 |
如图在x轴上方存在垂直纸面向里的磁感应强度为
的匀强磁场,
轴下方存在垂直纸面向外的磁感应强度为
/2的匀强磁场.一带负电的粒子从原点0以与
轴成
角斜向上射人磁场,且在上方运动半径为R,不计重力。则( )![]()
| A.粒子经偏转一定能回到原点0 |
| B.粒子在 |
| C.粒子完成一次周期性运动的时间为 |
| D.粒子第二次射入 |