如图所示是一种延时开关,当S1闭合时,电磁铁F将衔铁D吸下,C线路接通,当S1断开时,由于电磁感应作用,D将延迟一段时间才被释放,则( )![]()
| A.由于A线圈的电磁感应作用,才产生延时释放D的作用 |
| B.由于B线圈的电磁感应作用,才产生延时释放D的作用 |
| C.如果断开B线圈的电键S2,无延时作用 |
| D.如果断开B线圈的电键S2,延时将变长 |
传感器担负着信息采集的任务,它常常是( )
| A.将力学量(如形变量)转变成电学量 | B.将热学量转变成电学量 |
| C.将电学量转变成光学量 | D.将电学量转变成磁学量 |
如图所示是一火警器的一部分电路示意图,其中R2为半导体热敏材料制成的传感器,电流表为值班室的显示器,a、b之间接报警器.当传感器R2所在处出现火情时,显示器的电流I、报警器两端的电压U的变化情况是( )![]()
| A.I变大,U变大 | B.I变小,U变小 |
| C.I变小,U变大 | D.I变大,U变小 |
如图所示,R 1为定值电阻,R 2为负温度系数的热敏电阻(负温度系数热敏电阻是指阻值随温度的升高而减小的热敏电阻),L为小灯泡,当温度降低时( )![]()
| A.R 1两端的电压增大 | B.电流表的示数增大 |
| C.小灯泡的亮度变强 | D.小灯泡的亮度变弱 |
关于电饭锅的说法正确的是( )
| A.电饭锅中的温度传感器是氧化铁 |
| B.铁氧体在常温下具有磁性,温度升至居里点时失去铁磁性 |
| C.当温度越过103 ℃时,感温体磁性较强 |
| D.用电饭锅煮饭时,温控开关自动断电后,它能自动复位 |
下面那一项不是现代传感器的应用
| A.当你走近自动门时,门会自动打开。 |
| B.电梯的两门靠拢接触到人体时,门会自动打开而不会夹伤人。 |
| C.电饭煲能自动加热和保温而不会把饭烧焦。 |
| D.将自己的银行卡插进自动取款机里可以取钱,而不必麻烦银行工作人员。 |
传感器担负着信息采集的任务,它常常是( )
| A.将力学量(如形变量)转变成电学量 | B.将热学量转变成电学量 |
| C.将光学量转变成电学量 | D.将电学量转变成力学量 |
许多楼道灯具有这样的功能,天黑时,出现声音就开启,而在白天时,即使有声音它也没有什么反应。它的控制电路中接入的两个传感器是
| A.温度传感器和声传感器 |
| B.温度传感器和力传感器 |
| C.光传感器和力传感器 |
| D.光传感器和声传感器 |
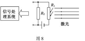
计算机光驱的主要部分是激光头,它可以发射脉冲激光信号,激光扫描光盘时,激光头利用光敏电阻自动计数器将反射回来的脉冲信号传输给信号处理系统,再通过计算机显示出相应信息.光敏电阻自动计数器的示意图如图8所示,其中R1为光敏电阻,R2为定值电阻,此光电计数器的基本工作原理是 ( )![]()
| A.当有光照射R1时,处理系统获得高电压 |
| B.当有光照射R1时,处理系统获得低电压 |
| C.信号处理系统每获得一次低电压就计数一次 |
| D.信号处理系统每获得一次高电压就计数一次 |