如图所示是电容式位移传感器,其工作原理是将下列哪个量转换为电容这个电学量来测量( )![]()
| A.电介质进入极板的长度 |
| B.两极板间距 |
| C.两极板正对面积 |
| D.极板所带电量 |
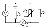
某兴趣小组设计了一个火灾报警装置,其电路如图所示,R1、 R3为定值电阻,热敏电阻R2的阻值随温度t变化的关系是
,通过电压表示数和灯泡亮度变化可监控R2所在处的火情.若R2所在处出现火情,则![]()
| A.电压表示数变大 | B.电压表示数变小 |
| C.灯泡变亮 | D.灯泡变暗 |
关于传感器的应用,下列说法中正确的是:( )
| A.电熨斗是通过感温铁氧体的作用控制电路的通断的 |
| B.霍尔元件是把磁感应强度这个磁学量转换为电压这个电学量 |
| C.电子秤能通过应变片把力这个力学量转换为电压这个电学量 |
| D.热敏电阻是把光照强弱这个光学量转换为电阻这个电学量的 |
如图甲所示,是一火警报警器的部分电路示意图.其中R2是由半导体热敏材料制成的传感器,其电阻R2随温度T变化的曲线如图乙所示.电流表为值班室的显示器,a、b之间接报警器.当传感器R2所在的位置出现火情时,显示器的电流I、报警器两端的电压U的变化情况是![]()
| A.I变大,U变大 | B.I变大,U变小 |
| C.I变小,U变大 | D.I变小,U变小 |
下列说法正确的是 ( )
| A.话筒是一种常用的声传感器,其作用是将电信号转换为声信号 |
| B.电熨斗能够自动控制温度的原因是它装有双金属片温度传感器,这种传感器作用是控制电路的通断 |
| C.电子秤所使用的测力装置是力传感器 |
| D.半导体热敏电阻常用作温度传感器,因为温度越高,它的电阻值越大 |
将如图所示装置安装在沿直轨道运动的火车车厢中,使杆沿轨道方向固定,就可以对火车运动的加速度进行检测。闭合开关S,当系统静止时,穿在光滑绝缘杆上的小球停在O点,固定在小球上的变阻器滑片停在变阻器BC的正中央,此时,电压表指针指在表盘刻度中央。当火车在水平方向有加速度时,小球在光滑绝缘杆上移动,滑片P随之在变阻器上移动,电压表指针发生偏转。已知,当火车向左加速运动时,电压表的指针向右偏。则: ( )![]()
| A.电压表指针向左偏,说明火车可能在向右做加速运动 |
| B.电压表指针向右偏,说明火车可能在向右做加速运动 |
| C.电压表指针向左偏,说明火车可能在向右做减速运动 |
| D.电压表指针向左偏,说明火车可能在向左做加速运动 |
如图所示是利用硫化镉制成的光敏电阻自动计数的示意图,其中A是发光仪器,B是光敏电阻(光照时电阻会变小),下列说法中正确的是( )![]()
| A.当传送带上没有物品挡住由 A射向 B的光信号时,光敏电阻的阻值变小,电压表读数变小 |
| B.当传送带上没有物品挡住由 A射向 B的光信号时,光敏电阻的阻值变大,电压表读数变大 |
| C.当传送带上有物品挡住由A射向B的光信号时,光敏电阻的阻值变小,电压表读数变小 |
| D.当传送带上有物品挡住由A射向B的光信号时,光敏电阻的阻值变大,电压表读数变大 |
如图为电饭锅的温控部分示意图,感温铁氧体在常温下具有铁磁性,但温度升高到103℃时便失去了铁磁性,这个温度称为这种材料的“居里温度”或“居里点”。下列说法正确的是 ![]()
| A.开始煮饭时,用手压下开关按钮,永磁体与感温磁体相吸,手松开后,按钮不再恢复到图示状态 |
| B.如果在1标准大气压下用电饭锅烧水,水在沸腾后会自动断电 |
| C.如果在1标准大气压下用电饭锅烧水,水沸腾后不会自动断电,即使水烧干后,也不会自动断电 |
| D.饭熟后,水分被大米吸收,锅底温度升高,当温度升至“居里点”103℃时,感温磁体失去磁性,在弹簧作用下,切断电源 |
下列说法正确的是
| A.话筒是一种常用的声传感器,其作用是将电信号转换为声信号 |
| B.热敏电阻是利用半导体电阻阻值随温度的变化的特征来实现温度测量 |
| C.电子秤所使用的测力装置是力传感器 |
| D.空调机中控温的传感器是光电传感器 |
关于电子秤中应变式力传感器的说法 正确的是( )
| A.应变片多用半导体材料制成. |
| B.当应变片的表面拉伸时,其电阻变小;反之变大 |
| C.传感器输出的是应变片上的电压 |
| D.外力越大,输出的电压差值越小 |