在基本逻辑电路中,当所有输入均为“0”时,输出是“1”的是 ( )
| A.“与”门电路 | B.“或”门电路 |
| C.“非”门电路 | D.都不可能 |
走廊里有一盏电灯,在走廊两端各有一个开关,我们希望不论哪一个开关接通都能使电灯点亮,那么设计的电路为 ( )
| A.“与”门电路 | B.“非”门电路 |
| C.“或”门电路 | D.上述答案都有可能 |
如图5所示为一个简单的报警器电路图,下列说法正确的是 ( )
| A.Sl,S2都合上时报警器发声; |
| B.Sl断开,S2合上时报警器发声; |
| C.Sl,S2都断开时报警器发声; |
| D.Sl闭合,S2断开时报警器发声。 |
右图是一个电工应用某种逻辑电路制作的简单车门报警电路图。图中的两个按钮开关分别装在汽车的两道门上。只要其中任何一个开关处于开路状态,发光二极管就发光。请你根据报警装置的要求,在电路图的虚线框内应是何种电路?( )![]()
| A.与门 | B.或门 |
| C.非门 | D.与非门 |
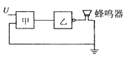
如图,低电位报警器由两个基本门电路与蜂鸣器组成,该报警器只有当输入电压过低时蜂鸣器才会发出警报。其中 ( )![]()
| A.甲是“与门”,乙是“非门” |
| B.甲是“或门”,乙是“非门” |
| C.甲是“与门”,乙是“或门” |
| D.甲是“或门”,乙是“与门” |
如图是一个火警报警装置的逻辑电路图,Rt是热敏电阻,低温时电阻值很大,高温时电阻值很小,R是阻值较小的可调电阻,以下说法中正确的是![]()
| A.要使电铃平时不响,而发生火灾时由于高温响起,图中虚线内应接入“非门”元件 |
| B.要使电铃平时不响,而发生火灾时由于高温响起,图中虚线内应接入“与门”元件 |
| C.要使电铃平时不响,而发生火灾时由于高温响起,图中虚线内应接入“或门”元件 |
| D.为提高电路的灵敏度,图中的电阻R应调的小一些 |