如图,一理想变压器原线圈输入的交变电压为e=311sin100πt V,其副线圈上,接有一只铭牌上标有“6V.9W”字样的灯泡,且刚好能正常发光,已知原线圈匝数n1为1100匝,则副线圈n2 = 匝.
如图所示,理想变压器原、副线圈匝数之比n1:n2=1:2,加在原线圈两端的电压为220 V,副线圈两端的电压为 V,C为额定电流为1 A的保险丝,R为接在副线圈两端的可变电阻.要使保险丝不会熔断,则可变电阻的阻值不能小于 Ω.
一台调压器原线圈匝数为3600匝,当电路电压降为180V时,副线圈要想得到220V的电压时,应将副线圈的匝数调整为________匝;若此时用电器的工作电流为0.9A,则原线圈中的电流为________A
一台发电机产生的电动势的瞬时值表达式为:e =" 311sin314t" V,则此发电机产生的电动势的最大值为_______V,有效值为_______V,角速度为 rad/s,发电机转子的转速为_______转/秒,产生的交流电的频率为______Hz.
变压器 (“能”或“不能”)改变直流电压。
对于升压变压器,原线圈的匝数 (“多于”或“少于”)副线圈匝数。
如图所示,理想变压器原线圈输入交变电流i=Imsinωt,副线圈接有一电流表和负载电阻R,电流表的示数为0.10A .在t=T/4时(T为交变电流的周期),线圈中的电流瞬时值为0.03A。由此可知该变压器的原、副线圈的匝数比为 。
如图所示,变压器原副线圈匝数之比为4∶1,输入电压,输电线电阻R = 1,标有“25V,5W”的灯泡接入 盏才能正常发光,输入电路上保险丝允许电流应大于 A
在图5-21所示的电路中,一理想变压器的原、副线圈匝数比为,交流电源电压,A是额定电流A的保险丝。R是可变电阻。为了不使原线圈中的电流超过,调节电阻R时,其阻值最低不能小于多少欧姆?
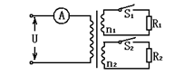
如右图所示,理想变压器有两个副线圈,匝数分别为n1和n2,所接负载4R1=R2。当只闭合S1时,电流表示数为1A,当S1和S2都闭合时,电流表示数为2A,则n1:n2为 。