如图所示的电路中,a、b两端连接的交流电源既含高频交流,又含低频交流,L是一个25mH的高频扼流圈,C是一个100PF的电容器,R是负载电阻,下列说法正确的是( )![]()
| A.L的作用是“通低频,阻高频” |
| B.C的作用是“通交流,隔直流” |
| C.C的作用是“通高频,阻低频” |
| D.通过R的电流中,低频电流所占的百分比远远大于高频交流所占的百分比 |
如图所示的电路,G为一交流发电机,C为平行板电容器,为使安培表示数增加,可行的办法是( )![]()
| A.使发电机的转速增加 |
| B.使发电机的转速减少 |
| C.使电容器两极板间距离增大 |
| D.在平行板电容器间换用介电常数较大的电介质 |
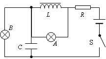
如图所示,A、B是两个完全相同的的灯泡,L是一个自感系数较大的理想电感线圈,C是电容较大的电容器。关于A、B亮度情况的说法中不正确的是( )![]()
| A.S闭合时,A立即亮,然后逐渐熄灭 |
| B.S闭合时,B立即亮,然后逐渐熄灭 |
| C.S闭合足够长时间后,B发光,而A不发光 |
| D.S闭合足够长时间再断开S后,B逐渐熄灭 |
如图所示,(a)、(b)中,R和自感线圈L的电阻都很小,接通K,使电路达到稳定,灯泡S发光。下列说法正确的是( )![]()
| A.在电路(a)中,断开K,S将渐渐变暗 |
| B.在电路(a)中,断开K,S将先变得更亮,然后渐渐变暗 |
| C.在电路(b)中,断开K,S将渐渐变暗 |
| D.在电路(b)中,断开K,S将先变得更亮,然后渐渐变暗 |
如图所示,电路甲、乙中,电阻R和自感线圈L的电阻值都很小,接通S,使电路达到稳定,灯泡D发光。则( )![]()
| A.在电路甲中,断开S,D将逐渐变暗 |
| B.在电路甲中,断开S,D将先变得更亮,然后渐渐变暗 |
| C.在电路乙中,断开S,D将渐渐变暗 |
| D.在电路乙中,断开S,D将变得更亮,然后渐渐变暗 |
已知LC振荡电路中电容器极板1上的电量随时间变化的曲线如图所示.则![]()
| A.a、c两时刻电路中电流最大,方向相同. |
| B.a、c两时刻电路中电流最大,方向相反. |
| C.b、d两时刻电路中电流最大,方向相同. |
| D.b、d两时刻电路中电流最大,方向相反. |
如图所示,三只白炽灯L1L2L3分别和电感、电阻、电容器串联后并联接在同一个交变电源上,当交变电源的电压为U,频率为50Hz时,三只灯泡的亮度相同,那么当交变电源的电压不变,而频率增大后,三只灯泡的亮度变化将是( )![]()
| A.L1变暗,L2不变,L3变亮 | B.L1变亮,L2不变,L3变亮 |
| C.L1变暗,L2变亮,L3变亮 | D.L1变亮,L2变亮,L3变暗 |