如图2所示,交变电流电压的瞬时表达式u=311sin50πt V时,三个电流表的示数相同,若电源电压改为u′=311sin100πt V时,则 ( )![]()
| A.电流表 |
| B.电流表 |
| C.电流表 |
| D.三个电表的示数都不变 |
如图所示电路中,L是自感系数足够大的线圈,它的电阻可忽略不计,D1和D2是两个完全相同的小灯泡。将电键K闭合,待灯泡亮度稳定后,再将电键K断开,则下列说法中正确的是 ( ) ![]()
| A.K闭合瞬间,两灯同时亮,以后D1熄灭,D2变亮 |
| B.K闭合瞬间,D1先亮,D2后亮,最后两灯亮度一样 |
| C.K断开时,两灯都亮一下再慢慢熄灭 |
| D.K断开时,D2立即熄灭,D1闪一下再慢慢熄灭 |
如图所示,交变电流电压的瞬时表达式u="311sin157t" V时,三个电流表的示数相同,若电源电压改为u′="311sin314t" V时,则 ( )![]()
| A.电流表 | B.电流表 |
| C.电流表 | D.电流表 |
如图所示,变频交变电源的频率可在20 Hz到20 kHz之间调节,在某一频率时,A1、A2两只灯泡的炽热程度相同.则下列说法中正确的是( )![]()
| A.如果将频率增大,A1炽热程度减弱、A2炽热程度加强 |
| B.如果将频率增大,A1炽热程度加强、A2炽热程度减弱 |
| C.如果将频率减小,A1炽热程度减弱、A2炽热程度加强 |
| D.如果将频率减小,A1炽热程度加强、A2炽热程度减弱 |
下面说法正确是( )
| A.感抗仅与电源频率有关,与线圈自感系数无关 |
| B.容抗仅与电源频率有关,与电容无关 |
| C.感抗.容抗和电阻等效,对不同交变电流都是一个定值 |
| D.感抗是由于电流变化时在线圈中产生了自感电动势而对电流的变化产生的阻碍作用 |
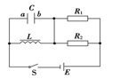
如图所示的电路中,电源电动势为E,线圈L的电阻不计.以下判断正确的是![]()
| A.闭合S,稳定后,电容器两端电压为E |
| B.闭合S,稳定后,电容器的a极带正电 |
| C.断开S的瞬间,电容器的a极板将带正电 |
| D.断开S的瞬间,电容器的a极板将带负电 |
“二分频”音箱内有两个不同口径的扬声器,它们的固有频率分别处于高音、低音频段,分别称为高音扬声器和低音扬声器,音箱要将扩音机送来的含有不同频率的混和音频电流按高、低频段分离出来,送往相应的扬声器,以便使电流所携带的音频信息按原比例还原成高、低频的机械振动,下图为音箱的电路图.高、低频混和电流由a、b输入,L1和L2是线圈,C1和C2是电容器,则( )![]()
| A.甲扬声器是高音扬声器 |
| B.C2的作用是阻碍高频电流通过乙扬声器 |
| C.L1的作用是阻碍低频电流通过甲扬声器 |
| D.L2的作用是减弱乙扬声器的低频电流 |
如图所示,线圈的自感系数L和电容器的电容C都很小,此电路的重要作用是![]()
| A.阻直流通交流,输出交流 |
| B.阻交流通直流,输出直流 |
| C.阻高频通低频,输出低频和直流 |
| D.阻低频通高频,输出高频电流 |