在日光灯的连接线路中,关于镇流器的作用,下列说法中正确的是( ).
| A.日光灯启动时,为灯管提供瞬时高压 |
| B.日光灯正常工作时,起维持高压的作用 |
| C.起到一个自动开关的作用 |
| D.以上说法均不正确 |
如图所示,三只灯泡L1、L2、L3分别与电感L、电容C、电阻R串联,再将三者并联,接在220V,50Hz的交变电压两端,三只灯泡亮度相同。若将交变电压改为220V,25Hz,则( )![]()
| A.三只灯泡亮度不变 |
| B.三只灯泡都将变亮 |
| C.L3亮度不变,L1变亮,L2变暗 |
| D.L3亮度不变,L1变暗,L2变亮 |
如图所示,在电路两端接上交流电,保持电压不变,使频率增大,发现各灯的亮暗变化情况是:灯1变暗,灯2变亮,灯3不变.则M、N、L所接元件可能是 ( )![]()
| A.M为电阻,N为电容器,L为电感器 |
| B.M为电阻,N为电感器,L为电容器 |
| C.M为电感器,N为电容器,L为电阻 |
| D.M为电容器,N为电感器,L为电阻 |
如图所示为LC振荡电路中振荡电流随时间变化的图像,o、a、b、c、d各时刻之间时间间隔相等,以下结论正确的是:![]()
| A.a时刻电容器极板上的电量最大,两极间电压也最大; |
| B.b时刻线圈中磁场能为零,通过线圈的磁通量变化率也为零; |
| C.c时刻电容器中电场能最小,两板间电压为零; |
| D.a、b间的时间间隔为1/4个周期。 |
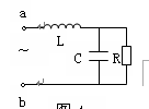
在如图所示电路中,a、b两端连接的交流电源既含高频交流,又含低频交流;L是一个25mH的高频扼流圈,C是一个100pF的电容器,R是负载电阻。下列说法中正确的是:![]()
| A.L的作用是“通低频,阻高频”; |
| B.C的作用是“通交流,隔直流”; |
| C.C的作用是“通高频,阻低频”; |
| D.通过R的电流中,低频交流所占的百分比远远大于高频交流所占的百分比。 |
如图所示,三个灯泡是相同的,额定功率足够大,直流电源E1内阻可以忽略,交流电源E2的电动势有效值与E1相等,自感线圈直流电阻不计。当S接A时,三灯亮度相同,当S接B稳定时( )![]()
| A.甲、乙、丙三灯亮度相同 |
| B.甲最亮,丙不亮 |
| C.甲和乙亮度相同,丙不亮 |
| D.乙最亮,丙不亮 |
下列关于电感线圈的性质分析中,正确的是( )
| A.电感线圈对交变电流的阻碍作用是由线圈电阻产生的 |
| B.由于电感线圈的阻碍,所有交变电流都不能够通过线圈 |
| C.电感线圈对频率大的交变电流阻碍作用大 |
| D.电感线圈对周期大的交变电流阻碍作用大 |
一平行板电容器与一自感线圈组成振荡电路,要使此振荡电路的周期变大,以下措施中正确的是 [ ]
| A.增加电容器两极间的距离; | B.增加线圈的匝数; |
| C.增大电容器两极板间的正对面积; | D.增大电容器两极板间的距离的同时,减少线圈的匝数。 |
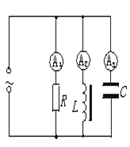
如图所示,把电阻、电感器、电容器并联接到一交流电源上,三个电流表的示数相同.若保持电源电压不变,而将频率加大,则三个电流表的示数I1、I2、I3大小的关系是:( )![]()
| A.I1=I2=I3 | B. I3>I1>I2 |
| C.I2>I1>I3 | D. I1>I2>I3 |
如图所示的甲、乙两个电路,电感线圈的自感系数足够大,且直流电阻不可忽略,闭合开关S,待电路达到稳定后,灯泡均能发光。现将开关S断开,这两个电路中灯泡亮度的变化情况可能是 ( )![]()
| A.甲电路中灯泡将渐渐变暗 |
| B.甲电路中灯泡将先变得更亮,然后渐渐变暗 |
| C.乙电路中灯泡将渐渐变暗 |
| D.乙电路中灯泡将先变得更亮,然后渐渐变暗 |