如图所示,在电路两端加上交流电,保持电压不变且使频率增大,发现各灯的亮暗变化情况是:灯1变暗、灯2变亮、灯3不变,则M、N、L中所接元件可能是( )![]()
| A.M为电阻,N为电容器,L为电感线圈 |
| B.M为电感线圈,N为电容器,L为电阻 |
| C.M为电容器,N为电感线圈,L为电阻 |
| D.M为电阻,N为电感线圈,L为电容器 |
在收音机线路中,经天线接收下来的电信号既有高频成份,又有低频成份,经放大后送到下一级,需要把低频成份和高频成份分开,只让低频成份输送到再下一级,我们可以采用如图所示电路,其中a、b应选择的元件是![]()
| A.a是电容较大的电容器,b是低频扼流圈 |
| B.a是电容较大的电容器,b是高频扼流圈 |
| C.a是电容较小的电容器,b是低频扼流圈 |
| D.a是电容较小的电容器,b是高频扼流圈 |
在如图所示电路图中,L为电感线圈,R为灯泡,电流表内阻为零,电压表内阻无穷大,交流电源的电压u=311sin100π
t,若保持电压的有效值不变,只将电源频率改为100Hz,下列说法正确的是![]()
| A.电流表示数增大 | B.电压表示数增大 |
| C.灯泡变暗 | D.灯泡变亮 |
两个相同的白炽灯L1和L2,接到如图所示的电路中,灯L1与电容器串联,灯L2与电感线圈串联,当a、b处接电压最大值为Um、频率为f的正弦交流电源时,两灯都发光,且亮度相同.更换一个新的正弦交流电源后,灯L1的亮度大于灯L2的亮度。新电源的电压最大值和频率可能是![]()
| A.最大值仍为Um,而频率大于f | B.最大值仍为Um,而频率小于f |
| C.最大值大于Um,而频率仍为f | D.最大值小于Um,而频率仍为f |
在收音机线路中,经天线接收下来的电信号既有高频成份,又有低频成份,经放大后送到下一级,需要把低频成份和高频成份分开,只让低频成份输送到再下一级,我们可以采用如图所示电路,其中a、b应选择的元件是( )![]()
| A.a是电容较大的电容器,b是低频扼流圈 |
| B.a是电容较大的电容器,b是高频扼流圈 |
| C.a是电容较小的电容器,b是低频扼流圈 |
| D.a是电容较小的电容器,b是高频扼流圈 |
两只相同的白炽灯接到如图所示的电路中,当接电压最大值U1,频率f1的正弦交流电时,两灯亮度相同。换一个新正弦交流电源后L1的亮度高于L2,则新电源的电压最大值U2,频率f2可能是![]()
| A.U2= U1,f2>f1 | B.U2= U1,f2<f1 | C.U2> U1,f2=f1 | D.U2 <U1,f2=f1 |
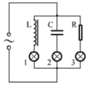
如图所示的电路中,如果交变电流的频率增大,1、2和3灯的亮度变化情况是 ![]()
| A.1、2两灯均变亮,3灯变暗 | B.1灯变亮,2、3两灯均变暗 |
| C.1、2灯均变暗,3灯亮度不变 | D.1灯变暗,2灯变亮,3灯亮度不变 |
在图中所示的电路中,C为电容器,R为灯泡,电流表内阻为零,电压表内阻无穷大,若保持交流电源的电压的有效值不变,只将电源频率增大,下列说法中正确的有![]()
| A.电流表示数增大 | B.电压表示数增大 | C.灯泡变亮 | D.灯泡变暗 |