一理想变压器原、副线圈的匝数之比为11 : 2 ,副线圈的输出电压u随时间变化的规律如图所示,副线圈上仅接入一个阻值为20?? 的定值电阻,则 ( )![]()
| A.原线圈的输入电压为220 V |
| B.原线圈的输入电流为11 A |
| C.经过1分钟定值电阻放出的热量是4800 J |
| D.变压器的输入功率是8?? 102 W |
下列所举的电磁波中,电磁波的波长最长的是 ( )
| A.收音机接收的短波 | B.医院透视用的X射线 |
| C.微波炉使用的微波 | D.人体发出的红外线 |
电磁波在空气中的传播速度为3×108m/s,某广播电台能够发射波长为50m的无线电波,那么收音机接收这个电台时,接受频率应工作在 ( )
| A.1.50MHz | B.5.00MHz | C.6.00MHz | D.3.00MHz |
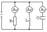
如图所示,把电阻R、电感线圈L、电容器C并联接到某一交流电源上时,三只电流表的示数相同。若保持电源电压不变,而使交变电流的频率减小后,则三个电流表的示数I1、I2、I3的关系是![]()
| A.I1=I2=I3 | B.I1>I2>I3 |
| C.I3>I1>I2 | D.I2>I1>I3 |
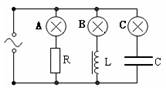
如图所示,把电阻R、电感线圈L、电容器C并联接到一交流电源上,三个灯泡的亮度相同,若保持电源电压大小不变,而将频率增大,则关于三个灯的亮度变化说法正确的是( )![]()
| A.A灯亮度不变,B灯变暗,C灯变亮 |
| B.A灯亮度不变,B灯变亮,C灯变暗 |
| C.A灯变暗,B灯亮度不变,C灯变亮 |
| D.A灯变亮,B灯变暗,C灯亮度不变 |
如图所示,一理想变压器,原线圈匝数为n1,四个副线圈的匝数均为n2。a、b、c、d是四个完全相同的灯泡,二极管(二极管具有单向导电性)、电容和电感线圈都视为理想元件。现从原线圈P、Q两点输入正弦交流电,那么下列说法正确的是:( )![]()
| A.流过b灯的电流仍是交流电 |
| B.a灯的功率是b灯功率的4倍 |
| C.此时a灯最亮,c、d两灯亮度可能相同 |
| D.当输入交流电的频率增大、输入电压的峰值不变时,a、b两灯亮度不变,c灯变亮,d灯变暗 |
如图2所示的交流电路中,如果电源电动势的最大值不变,当交流电的频率增大时,可以观察到三盏电灯亮度的变化情况是![]()
| A.L1、L2、L3亮度都不变 | B.L2变暗,L2不变、L3变亮 |
| C.L1变暗、L2变亮、L3不变 | D.L1变亮、L2变暗、L3不变 |
如图所示,电路为演示自感现象的实验电路。实验时,先闭合开关S,稳定后设通过线圈L的电流为Il,通过小灯泡E的电流为I2,小灯泡处于正常发光状态,迅速断开开关S,则可观察到灯泡E仍发光一小段时间后才熄灭。在灯E仍发光的一小段时间中,下列判断正确的是( )![]()
| A.线圈L中电流I1逐渐减为零 |
| B.线圈L两端a端电势高于b端 |
| C.小灯泡E中电流由Il逐渐减为零,方向与I2相反 |
| D.小灯泡E中电流由I2逐渐减为零,方向不变 |