关于电磁场和电磁波,下列说法中正确的是
| A.电磁波既可以是横波,也可以是纵波 |
| B.电磁波的传播需要介质 |
| C.电磁波不能产生多普勒效应 |
| D.电磁波中电场和磁场的方向彼此垂直 |
下列说法正确的是( )
| A. |
| B.若入射到金属表面的光没有达到一定的强度就不可能发生光电效应; |
| C.一束太阳光通过一个偏振片,若以光束为轴旋转偏振片,则透射光的强度不发生变化; |
| D.麦克斯韦的电磁场理论的核心思想是“变化的电场产生磁场,变化的电场产生磁场”,这位伟人预言并在实验室中证实了电磁波的存在。 |
下列关于电磁波的说法正确的是
| A.均匀变化的磁场能够在空间产生电场 | B.电磁波在真空和介质中传播速度相同 |
| C.只要有电场和磁场,就能产生电磁波 | D.电磁波在同种介质中只能沿直线传播 |
下列说法正确的是 ( )
| A.电磁波和机械波都需要通过介质传播,它们由一种介质进入另一种介质时频率不变 |
| B.发射无线电波时需要对电磁波进行调制和解调 |
| C.雷达发射的是直线性能好,反射性能强的微波 |
| D.根据麦克斯韦电磁场理论,电磁波中的电场和磁场互相垂直,电磁波是横波 |
目前雷达发射的电磁波频率多在200MHz至1000MHz的范围内。下列关于雷达和电磁波说法不正确的是( )
| A.真空中上述雷达发射的电磁波的波长范围在0.3m至1.5m之间 |
| B.电磁波是由恒定不变的电场或磁场产生的 |
| C.测出从发射电磁波到接收反射波的时间间隔可以确定雷达和目标的距离 |
| D.波长越短的电磁波,反射性能越强 |
电磁辐射对人体有很大危害,可造成失眠、白细胞减少、免疫功能下降等。按照有关规定,工作场所受电磁辐射强度(单位时间内垂直通过单位面积的电磁辐射能量)不得超过0.5W/m2。若某小型无线电通讯装置的电磁辐射功率是1.0W,则至少距该装置多远以外才是安全的( )
| A.0.4m以外 | B.0.8m以外 | C.1.0m以外 | D.1.2m以外 |
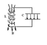
如图所示,LC振荡回路中,电容器两极板间的电场方向向下,且线圈中有沿图示方向的磁场,则![]()
| A.振荡回路中电流正在增大 |
| B.磁场能正在转化为电场能 |
| C.线圈L中振荡电流的方向从上向下 |
| D.线圈L产生的自感电动势正在阻碍电流增大 |
根据电磁波谱从下列选项中选出电磁波的范围相互交错重叠、且频率顺序由高到低排列的情况
| A.伦琴射线、紫外线、可见光 | B.伦琴射线、紫外线、红外线 |
| C.紫外线、红外线、可见光 | D.无线电波、红外线、紫外线 |
现代医疗器械很多专用设备是应用不同电磁波某些特性制成的,以下叙述正确的是
| A.胃镜利用了光的全反射现象 | B.肿瘤放疗仪利用了γ射线的电离作用 |
| C.红外线治疗仪利用了红外线的化学作用 | D.X光机利用了伦琴射线的穿透作用 |