红外遥感卫星通过接收地面物体发出的红外辐射来探测地面物体的状况.地球大气中的水汽(H2O)?二氧化碳(CO2)能强烈吸收某些波长范围的红外辐射,即地面物体发出的某些波长的电磁波,只有一部分能够通过大气层被遥感卫星接收.下图为水和二氧化碳对某一波段不同波长电磁波的吸收情况,由图可知,在该波段红外遥感大致能够接收到的波长范围为( )![]()
| A.2.5~3.5 μm | B.4~4.5 μm |
| C.5~7 μm | D.8~13 μm |
关于电磁场和电磁波,下列说法中正确的是( )
| A.均匀变化的电场在它的周围产生均匀变化的磁场 |
| B.电磁波中每一处的电场强度和磁感应强度总是互相垂直的,且与波的传播方向垂直 |
| C.电磁波和机械波一样依赖于媒质传播 |
| D.只要空间中某个区域有振荡的电场或磁场,就能产生电磁波 |
1864年,英国科学家麦克斯韦在总结前人研究电磁现象的基础上,建立了完整的电磁波理论,他断定电磁波的存在,推导出电磁波与光具有同样的传播速度.1887年德国物理学家赫兹用实验证实了电磁波的存在.下列有关电磁波传播过程的叙述中正确的是( )
| A.电磁波在真空中的传播速度等于真空中的光速 |
| B.电磁波和机械波一样依赖于介质传播 |
| C.电磁波中每一处电场强度方向和磁感应强度方向总是相互垂直,并且与波的传播方向也垂直 |
| D.只要空间中某个区域有变化的电场或变化的磁场,就一定能产生电磁波 |
在LC振荡电路中,电容器C的带电量随时间变化图象如图所示,在1×10-6S到2×10-6S 内,关于电容器充放电的判定及该电容器产生的电磁波波长,正确结论是![]()
| A.充电过程,波长为1200m |
| B.充电过程,波长为1500m |
| C.放电过程,波长为1200m |
| D.放电过程,波长为1500m |
下列说法中,正确的是
| A.电磁波不能在真空中传播 |
| B.无线电通信是利用电磁波传输信号的 |
| C.电磁波在真空中的传播速度与频率无关 |
| D.无线电广播与无线电视传播信号的原理毫无相似之处 |
关于电磁场和电磁波,下列叙述中正确的是( )
| A.恒定的电场周围产生恒定的磁场,恒定的磁场周围产生恒定的电场 |
| B.电磁波中每处的电场强度方向和磁感应强度方向总是相互垂直,并且与波的传播方向也垂直 |
| C.均匀变化的电场周围产生均匀变化的磁场,均匀变化的磁场周围产生均匀变化的电场 |
| D.只要空间某个区域有变化的电场或变化的磁场,就能产生电磁波 |
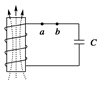
LC振荡电路中,某时刻的磁场方向如图所示,则 ( )
| A.若电容器上极板带正电,则电容器处于充电过程中 |
| B.若电容器上极板带正电,则振荡电流正在增大 |
| C.若磁场正在增强,则电容器正在放电,电流方向由 |
| D.若磁场正在减弱,则电容器正在放电,电流方向由 |
如图所示的LC振荡电路,在某时刻的磁场方向如图所示,则下列判断正确的是![]()
| A.若磁场正在增强,则电场能正在减少,电容器上极板带正电 |
| B.若磁场正在减弱,则电场能正在增强,电容器上极板带正电 |
| C.振荡电流的变化周期为: |
| D.电场能量的变化周期为: |