某水电站,用总电阻为5
的输电线输电给940km外的用户,其输出电功率是3×106kW。现用500kV电压输电,则下列说法正确的是
| A.输电线上输送的电流大小为l×105A |
| B.输电线上损失电压为30kV |
| C.该输电系统的输电效率为95% |
| D.若改用10kV电压输电,则输电线上损失的功率为4. 5×108kW |
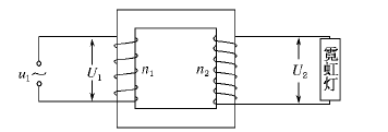
如图是霓虹灯的供电电路,电路中的变压器可视为理想变压器.已知变压器原线圈与副线圈匝数比
,加在原线圈的电压为u1=311sin100πt(V),霓虹灯正常工作的电阻R="440" kΩ,I1?I2表示原?副线圈中的电流,下列判断正确的是( )![]()
| A.副线圈两端电压6220 V,副线圈中的电流14.1 mA |
| B.副线圈两端电压4400 V,副线圈中的电流10.0 mA |
| C.I1<I2 |
| D.I1>I2 |
某水电站,用总电阻为2.5Ω的输电线输电给500 km外的用户,其输出电功率是3×106 kW,现用500 kV电压输电,则下列说法正确的是( )
| A.输电线上输送的电流大小为2.0×105 A |
| B.输电线上由电阻造成的损失电压为15 kV |
| C.若改用5 kV电压输电,则输电线上损失的功率为9×108 kW |
| D.输电线上损失的功率为ΔP= |
某发电站采用高压输电向外输送电能。若输送的总功率为P0,输电电压为U,输电导线的总电阻为R。则下列说法正确的是
| A.输电线上的电流 |
| B.输电线上的电流 |
| C.输电线上损失的功率 |
| D.输电线上损失的功率 |
某发电站采用高压输电向外输送电能。若输送的总功率为P0,输电电压为U,输电导线的总电阻为R。则下列说法正确的是 ![]()
![]()
| A.输电线上的电流 | B.输电线上的电流 |
| C.输电线上损失的功率 | D.输电线上损失的功率 |
远距离输送交流电都采用高压输电,采用高压输电的优点是( )
| A.可节省输电线的铜材料 |
| B.可加快输电的速度 |
| C.可根据需要调节交流电的频率 |
| D.可减少输电线上的能量损失 |
照明供电线路的路端电压基本上是保持不变的.可是我们在晚上七、八点钟用电高峰时开灯,电灯比深夜时要显得暗些.这是因为用电高峰时( )
| A.总电阻比深夜时大,供电线路上的电流小,每盏灯两端的电压较低 |
| B.总电阻比深夜时大,供电线路上的电流小,通过每盏灯的电流较小 |
| C.总电阻比深夜时小,供电线路上的电流大,输电线上损失的电压较大 |
| D.供电线路上的电流恒定,但开的灯比深夜时多,通过每盏灯的电流小 |
在远距离输电时,输送的电功率为P,输电电压为U,所用导线电阻率为ρ,横截面积为S,总长度为L,输电线损失的电功率为P′,用户得到的电功率为P用,则P′、P用的关系式正确的是
( )
| A.P′= | B.P′= |
| C.P用=P- | D.P用=P(1- |
(09·广东物理·9)图为远距离高压输电的示意图。关于远距离输电,下列表述正确的是( )![]()
| A.增加输电导线的横截面积有利于减少输电过程中的电能损失 |
| B.高压输电是通过减小输电电流来减小电路的发热损耗 |
| C.在输送电压一定时,输送的电功率越大,输电过程中的电能损失越小 |
| D.高压输电必须综合考虑各种因素,不一定是电压越高越好 |