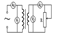
如图所示,M为理想变压器,电流表均可视为理想电表,接线柱a、b接在电压
的正弦交流电压,当滑动变阻器的滑片P向下滑动时,示数发生变化的是( )![]()
| A.A1、A2; | B.A2、V2; |
| C.A1、A2、V2; | D.A1、A2、V1、V2。 |
图是一个理想变压器,K为双向电键,P是滑动变阻器滑动触头,U1为加在原线圈两端电压,I1为原线圈上的电流,则( )![]()
| A.保持U1及P的位置不变,K由a合向b时,I1将增大 |
| B.保持P的位置及U1不变,K由a向b时,R消耗的功率减小 |
| C.保持U1不变,K合在a处,使P上滑,I1将减小 |
| D.保持P的位置不变,K合在a处,若U1增大,I1将减小 |
如图所示,理想变压器原、副线圈匝数比为2∶1。电池和交变电源的电动势都为6V,内阻均不计。下列说法正确的是![]()
| A.S与a接通的瞬间,R中无感应电流 |
| B.S与a接通稳定后,R两端的电压为3V |
| C.S与b接通稳定后,R两端的电压为3V |
| D.S与b接通稳定后,原、副线圈中电流的频率之比为1∶2 |
如图所示,M是一个小型理想变压器,原副线圈匝数之比n1∶n2 = 10∶1,接线柱a、b接上一个正弦交变电源,电压
V。变压器副线圈为一火警报警系统原理图,其中R1为一定值电阻,R2为热敏电阻(电阻随温度升高而减小)。下列说法正确的是( )![]()
| A.电压表 |
| B.当传感器R2所在处出现火警时,电压表 |
| C.当传感器R2所在处出现火警时,电流表 |
| D.当传感器R2所在处出现火警时,电阻R1的功率变大 |
用电高峰期,电灯往往会变暗,其原理如图所示,可简化为如下物理问题:在理想变压器的副线圈上,通过输电线连接两只灯泡L1和L2,输电线的等效电阻R,原线圈输入有效值恒定的交流电压,当开关闭合时,以下说法正确的是( )![]()
| A.R两端的电压增大 |
| B.原线圈输入功率减小 |
| C.副线圈输出电压减小 |
| D.原线圈中电流减小 |
如图所示,甲中有两条不平行轨道而乙中的两条轨道是平行的,其余物理条件都相同.金属棒MN都正在轨道上向右匀速平动,在棒运动的过程中,将观察到( )![]()
| A.L1,L2小电珠都发光,只是亮度不同 |
| B.Ll,L2都不发光 |
| C.L2发光,Ll不发光 |
| D.Ll发光,L2不发光 |
火警报警系统原理如图甲所示,M是一个小型理想变压器,原副线圈匝数之比n1:n2 =10:1,接线柱a、b接上一个正弦交变电源,电压随时间变化规律如图乙所示,在变压器右侧部分,R2为用半导体热敏材料(电阻随温度升高而减小)制成的传感器,R1为一定值电阻。下列说法中正确的是![]()
| A.此交变电源的频率为 50 Hz |
| B.电压表示数为22 V |
| C.当传感器R2所在处出现火警时,电流表的示数减小 |
| D.当传感器R2所在处出现火警时,电压表的示数减小 |
如图所示,一理想变压器的原线圈匝数为n1,连接一理想电流表;副线圈接入电路的匝数n2可以通过滑动触头Q调节,副线圈接有灯泡L和光敏电阻R(光照加强时,R的阻值会变小),则( )![]()
| A.只使Q向上滑动,灯泡变亮 |
| B.只使Q向上滑动,电流表读数变小 |
| C.只加强光照,电流表读数变大 |
| D.只加强光照,原线圈的输入功率变小 |
有一台交流发电机,通过理想升压变压器T1和理想降压变压器T2向远处用户供电,输电线的总电阻为R, T1的输入电压和输入功率分别为U1和P1,它的输出电压和输出功率分别为U2和P2;T2的输入电压和输入功率分别为U3和P3,它的输出电压和输出功率分别为U4和P4.设T1的输入电压U1一定,当用户消耗的电功率变大时,有( )![]()
| A.U2减小,U4变大 | B.U2不变,U3变小 |
| C.P1变小,P2变小 | D.P2变大,P3变大 |