一理想变压器原、副线圈的匝数比为10∶1,原线圈输入电压的变化规律如图甲所示,副线圈所接电路如图乙所示,P为滑动变阻器的触头.下列说法正确的是( )![]()
| A.副线圈输出电压的频率为50 Hz |
| B.副线圈输出电压的有效值为31 V |
| C.P向右移动时,原、副线圈的电流比减小 |
| D.P向右移动时,变压器的输出功率减小 |
调压变压器是一种自耦变压器,它的构造如图所示.线圈AB绕在一个圆环形的铁芯上,AB间加上正弦交流电压U,移动滑动触头P的位置,就可以调节输出电压.在输出端连接了滑动变阻器R和理想交流电流表,变阻器的滑动触头为Q,则( )![]()
| A.保持P的位置不动,将Q向下移动时,电流表的读数变小 |
| B.保持P的位置不动,将Q向下移动时,电流表的读数变大 |
| C.保持Q的位置不动,将P沿逆时针方向移动时,电流表的读数变大 |
| D.保持Q的位置不动,将P沿逆时针方向移动时,电流表的读数变小 |
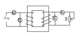
一个理想变压器,原线圈1200匝,副线圈400匝,现在副线圈上接一个变阻器R,如图所示。各电表均为理想表,则下列说法中正确的是 ( ) ![]()
| A.安培表A1与A2的示数之比为3:1 |
| B.伏特表V1与 V2的示数之比为3:1 |
| C.当变阻器滑动头向下移动时,原线圈的输入功率将增加 |
| D.原、副线圈的功率之比为3:1 |
如图所示,接在理想变压器中的三个规格相同的灯泡a、b、c都正常发光,若仅将b、c改为串联,输入电压U不变,则此时三个灯泡的功率之比为:![]()
| A.1∶4∶4 | B.1∶1∶1 |
| C.1∶2∶2 | D.4∶1∶1 |
如图所示,变压器输入电压不变,当电键S闭合,两交流电流表示数的变化情况为( )![]()
| A.都变小 | B.都变大 |
| C.A1变大,A2变小 | D.A1不变,A2变小 |
一理想变压器给负载供电,变压器输入电压不变,如右图所示.如果负载电阻的滑片向上移动则图中所有交流电表的读数及输入功率变化情况正确的是(均为理想电表): ( )![]()
| A.V1、V2不变,A1增大,A2减少,P增大 | B.V1、V2不变,A1、A2增大,P增大 |
| C.V1、V2不变,A1、A2减少,P减少 | D.V1不变、V2增大,A1、A2减少,P减少 |
可以将电压升高供给电灯的变压器是( )![]()
| A.甲图 | B.乙图 | C.丙图 | D.丁图 |
如图所示,理想变压器副线圈通过输电线接两个相同的灯泡L1和L2,输电线的等效电阻为R.开始时,开关S断开,当S接通时,以下说法错误的是( )![]()
| A.副线圈两端的输出电压减小 | B.通过灯泡L1的电流减小 |
| C.原线圈中的电流增大 | D.变压器的输入功率增大 |