如图所示,理想变压器输入电压一定,用理想变压器给负载R供电,则使变压器输入功率增大的方法是( )![]()
| A.增大负载电阻的阻值 | B.减小负载电阻的阻值 |
| C.增加原线圈的匝数 | D.增加副线圈的匝数 |
如图(甲)所示,理想变压器原副线圈的匝数比为10:1,b是原线圈的中心抽头,电压表和电流表均为理想电表,除R以外其余电阻不计。从某时刻开始单刀双掷开关掷向a,在原线圈两端加上如图(乙)所示交变电压,则下列说法中正确的是:( )![]()
![]()
| A.该交变电压瞬时值表达式为 |
| B.滑动变阻器触片向上移,电压表示数不变,电流表的示数变大 |
| C. |
| D.单刀双掷开关由a扳到b,电压表和电流表的示数都变大 |
如图所示(a)、(b)两电路中,当a、b两端和e、f两端分别加上220V的交流电压时,测得c、d间与g、h间的电压均为110V。若分别在c、d与g、h两端加上110V的交流电压,则a、b间与e、f间的电压分别( )![]()
| A.220V、220V | B.220V、 110V |
| C.110V、110V | D.220V、0 |
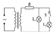
用电高峰期,电灯往往会变暗。我们可将这一现象简化为如下问题进行研究:如图所示,原线圈输入有效值恒定的交变电压,在理想变压器的副线圈上,通过等效电阻为R的输电线连接两只灯泡L1和L2。当开关S闭合时,下列说法正确的是 ( )![]()
| A.副线圈中的电流增大 |
| B.原线圈中的电流减小 |
| C.加在R两端的电压增大 |
| D.加在L1两端的电压减小 |
图中可以将电压升高供给电灯的变压器是![]()
| A.甲图 | B.乙图 |
| C.丙图 | D.丁图 |
如图所示,一个理想变压器带有三个匝数都是50匝的副线圈ab、cd、ef,若原线圈匝数为100匝,原线圈接到220v交流电源上,通过副线圈的各种组合中,可以得到以下那些电压( )![]()
| A.0v | B.110v | C.220v | D.440v |
如图所示,当滑动变阻器滑动触头P逐渐向上移动时,接在理想变压器两端的四个理想电表示数![]()
| A.V1不变、V2不变、A1变大、A2变大 |
| B.V1不变、V2不变、A1变小、A2变小 |
| C.V1变大、V2变大、A1变小、A2变小 |
| D.V1变小、V2变小、A1变大、A2变大 |
如图所示,理想变压器原线圈连接的交变电压有效值保持不变, L1、L2是完全相同的两个灯泡,电表均为理想电表,开始时开关S是闭合的。当开关S断开后,下列说法正确的是![]()
| A.电压表的示数变大 |
| B.电流表A1的示数减小 |
| C.电流表A2的示数变大 |
| D.灯泡L1的亮度变亮 |
如图所示,理想变压器原线圈输入电压u=Um sinωt,副线圈电路中R0为定值电阻,R是滑动变阻器; V1和V2是理想电压表,示数分别是U1和U2,A1和A2是理想电流表,示数分别是I1和I2。下列说法正确的是![]()
| A.I1和I2表示电流的瞬时值 |
| B.U1和U2表示电压的最大值 |
| C.滑片P向下滑动过程中,U2不变、I1变小 |
| D.滑片P向下滑动过程中,U2不变、I1变大 |
如图所示理想变压器原副线圈匝数比为1:2,两端分别接有四个阻值相同的灯泡,已知4盏灯均能发光,则L1和L2的功率之比为( )![]()
| A.1:1 | B.1:3 |
| C.9:1 | D.3:1 |