一理想变压器的原线圈连接一只交流电流表,副线圈接入电路的匝数可以通过触头Q调节,如图所示.在副线圈两输出端连接灯泡L、定值电阻R0和滑动变阻器R,在原线圈上加一电压为U的交变电流,则( )![]()
| A.保持Q位置不动,将P向上滑动时,灯泡变亮,电流表的读数变大 |
| B.保持Q位置不动,将P向上滑动时,灯泡变暗,电流表的读数变小 |
| C.保持P位置不动,将Q向上滑动时,灯泡变亮,电流表的读数变大 |
| D.保持P位置不动,将Q向上滑动时,灯泡变暗,电流表的读数变小 |
对于理想变压器来说,下列说法中不正确的是( )
| A.变压器是利用互感现象制成的 |
| B.变压器可以改变各种电源的额定功率 |
| C.变压器不仅能改变电压,还同时改变电流 |
| D.变压器的初级电流随次级电流的增大而增大 |
如图所示,理想变压器的副线圈上通过输电线接有两个相同的灯泡L1和L2,输电线的等效电阻为R,开始时,开关S断开。当S接通时,以下说法中正确的是( )![]()
| A.副线圈两端M、N的输出电压减小 |
| B.副线圈输电线等效电阻R两端的电压将增大 |
| C.通过灯泡L1的电流减小 |
| D.原线圈中的电流增大 |
如图所示为理想变压器,A1、A2为理想交流电流表,V1、V2分别为理想交流电压表,R1、R2、R3为电阻,原线圈两端接电压一定的正弦交流电源,当开关S闭合时,各交流电表的示数变化情况应是( )![]()
| A.交流电流表Al读数变小; |
| B.交流电流表A2读数变大; |
| C.交流电压表V1读数变大; |
| D.交流电压表V2读数变小。 |
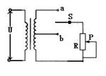
如图所示电路中的变压器为一理想变压器,S为单刀双掷开关,P是滑动变阻器的滑动触头,原线圈两端接电压恒定的交变电流,则能使原线圈的输入功率变大的是( )![]()
| A.保持P的位置不变,S由b切换到a |
| B.保持P的位置不变,S由a切换到b |
| C.S置于b位置不动,P向上滑动 |
| D.S置于b位置不动,P向下滑动 |
如图所示,理想变压器的输入电压保持不变。副线圈通过输电线接两个相同的灯泡L1和L2,输电线的等效电阻为R。开始时,电键S断开,当S闭合时,下列说法正确的是![]()
| A.电压表示数变大 |
| B.灯泡L1更亮 |
| C.电流表示数增大 |
| D.变压器的输出功率减小 |
一理想变压器原、副线圈匝数比n1∶n2=11∶5,原线圈与正弦交变电源连接,输入电压u随时间t的变化规律如图所示,副线圈仅接入一个10 Ω的电阻,则( )![]()
| A.流过电阻的最大电流是20 A |
| B.与电阻并联的电压表的示数是141 V |
| C.变压器的输入功率是2.2×103W |
| D.在交变电流变化的一个周期内,电阻产生的焦耳热是20 J |
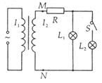
如图,理想变压器的副线圈上通过输电线接有两只相同的灯泡L1和L2,输电线的等效电阻为R,开始时,开关S断开,当S闭合时,以下说法中正确的是( )
| A.副线圈两端M、N的输出电压减小 |
| B.副线圈输电线等效电阻R上的电压降增大 |
| C.通过灯泡L1的电流减小 |
| D.原线圈中的电流增大 |
如右图所示,理想变压器副线圈通过输电线接两个相同的灯泡 L1和L2,输电线的等效电阻为R.开始时,电键S断开,当S闭合时,下列说法中正确的是( )![]()
| A.副线圈两端的输出电压减小 | B.灯泡L1更亮 |
| C.原线圈中的电流增大 | D.变压器的输入功率增大 |
图中的变压器为理想变压器,原线圈匝数
与副线圈匝数
之比为10 : 1,变压器的原线圈接如图所示的正弦式交流电,电阻
和电容器
连接成如图10所示的电路,其中,电容器的击穿电压为8V,电压表V为理想交流电表,开关S处于断开状态,则( )![]()
![]()
| A.电压表V的读数约为7.07V |
| B.电流表A的读数为0.05A |
| C.电阻 |
| D.若闭合开关S,电容器会被击穿 |