如图所示,P为一理想自耦变压器的滑片,Q为滑动变阻器的滑动触头.在输入交变电压一定的条件下,下列说法正确的是( )![]()
| A.Q不动,P向下移动,电流表示数减小,电压表示数增大 |
| B.Q不动,P向上移动,电流表示数减小,电压表示数减小 |
| C.P不动,Q向上移动,电流表示数增大,电压表示数不变 |
| D.P不动,Q向下移动,电流表示数增大,电压表示数不变 |
如图所示电路中的变压器为理想变压器,S为单刀双掷开关,P是滑动变阻器R的滑动触头,U1为加在原线圈两端的交变电压,I1?I2分别为原线圈和副线圈中的电流.下列说法正确的是( )![]()
| A.保持P的位置及U1不变, S由b切换到a,则R上消耗的功率减小 |
| B.保持P的位置及U1不变,S由a切换到b,则I2减小 |
| C.保持P的位置及U1不变,S由b切换到a,则I1增大 |
| D.保持U1不变,S接在b端,将P向上滑动,则I1减小 |
如图,理想变压器原副线圈匝数之比为4:1,原线圈接入一电压为U=U0sinωt的交流电源,副线圈接一个R="27.5" Ω的负载电阻.若U0=220
V,ω=100πrad/s,则下述结论正确的是( )![]()
| A.副线圈中电压表的读数为55 V |
| B.副线圈中输出交流电的周期为 |
| C.原线圈中电流表的读数为0.5 A |
| D.原线圈中的输入功率为110 |
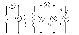
为探究理想变压器原?副线圈电压?电流的关系,将原线圈接到电压有效值不变的正弦交流电源上,副线圈连接相同的灯泡L1、L2,电路中分别接了理想交流电压表V1、V2和理想交流电流表A1、A2,导线电阻不计,如图所示.当开关S闭合后( )![]()
| A.A1示数变大,A1与A2示数的比值不变 |
| B.A1示数变大,A1与A2示数的比值变大 |
| C.V2示数变小,V1与V2示数的比值变大 |
| D.V2示数不变,V1与V2示数的比值不变 |
一理想变压器原?副线圈匝数比n1:n2=11:5.原线圈与正弦交变电源连接,输入电压u如图所示.副线圈仅接入一个10 Ω的电阻.则( )![]()
| A.流过电阻的电流是20 A |
| B.与电阻并联的电压表的示数是100 |
| C.经过1分钟电阻发出的热量是6×103 J |
| D.变压器的输入功率是1×103 W |
一理想变压器的原线圈上接有正弦交变电压,其最大值保持不变,副线圈接有可调电阻R.设原线圈的电流为I1,输入功率为P1,副线圈的电流为I2,输出功率为P2.当R增大时( )
| A.I1减小,P1增大 | B.I2减小,P2减小 |
| C.I2增大,P2减小 | D.I1增大,P2增大 |
如图4所示,原、副线圈匝数比为2∶1的理想变压器正常工作时![]()
| A.原、副线圈磁通量之比为2∶1 |
| B.原、副线圈电流之比为1∶2 |
| C.输入功率和输出功率之比为1∶1 |
| D.原、副线圈磁通量变化率之比为2∶1 |
如图所示为理想变压器原线圈所接正弦交流电源两端的电压—时间图象.原、副线圈匝数比n1∶n2=10∶1,串联在原线圈电路中交流电流表的示数为1A,则( )![]()
| A.变压器原线圈所接交流电压的有效值为220V |
| B.变压器输出端所接电压表的示数为22 |
| C.变压器输出端交变电流的频率为25Hz |
| D.变压器的输出功率为220 |
如图所示,理想变压器的原副线圈的匝数比n1∶n2=2∶1,原线圈接正弦式交流电,副线圈接电动机,电动机线圈电阻为R,当输入端接通电源后,电流表读数为I,电动机带动一质量为m的重物以速度v匀速上升,若电动机因摩擦造成的能量损失不计,电压表、电流表均为理想电表,则图中电压表的读数为( )![]()
| A.4IR+ | B. |
| C.4IR | D. |