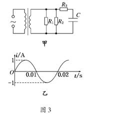
如图3甲所示,理想变压器原、副线圈的匝数比为10∶1,R1=20 Ω,R2=30 Ω,C为电容器,已知通过R1的正弦式电流如图乙所示,则 ( )![]()
| A.交变电流的频率为0.02 Hz |
| B.原线圈输入电压的最大值为200 |
| C.电阻R2的电功率约为6.67 W |
| D.通过R3的电流始终为零 |
如图1所示,电路中有四个完全相同的灯泡,额定电压均为U,额定功率均为P,变压器为理想变压器,现在四个灯泡都正常发光,则变压器的匝数比n1∶n2和电源电压U1分别为 ( )![]()
| A.1∶2 2U | B.1∶2 4U |
| C.2∶1 4U | D.2∶1 2U |
某小型水电站的电能输送示意图如图9所示,发电机的输出电压为200 V,输电线总电阻为r,升压变压器原、副线圈匝数分别为n1、n2,降压变压器原、副线圈匝数分别为n3、n4(变压器均为理想变压器).要使额定电压为220 V的用电器正常工作,则 ( )![]()
| A. |
| B. |
| C.升压变压器的输出电压等于降压变压器的输入电压 |
| D.升压变压器的输出功率大于降压变压器的输入功率 |
在某交流电路中,有一正在工作的变压器,原、副线圈的匝数分别为n1=600匝、n2=120匝,电源的电压为U=311sin100πt(V),原线圈中串联一个额定电流为0.2 A的保险丝,为保证保险丝不被烧毁,则 ( )
| A.负载功率不能超过44 W |
| B.副线圈电流的最大值不能超过1 A |
| C.副线圈电流的有效值不能超过1 A |
| D.无论副线圈电流有多大,保险丝总不会被烧毁 |
如图8所示是霓虹灯的供电电路,电路中的变压器可视为理想变压器.已知变压器原线圈与副线圈的匝数比
=
,加在原线圈上的电压为u1=311sin100πt(V),霓虹灯正常工作的电阻R=440 kΩ,I1、I2表示原、副线圈中的电流.下列判断正确的是( )![]()
| A.副线圈两端电压6220 V,副线圈中的电流14.1 mA |
| B.副线圈两端电压4400 V,副线圈中的电流10.0 mA |
| C.I1<I2 |
| D.I1>I2 |
如图7所示,理想变压器的原、副线圈匝数比为1∶5,原线圈两端的交变电压为u=20
sin100πt V.氖泡在两端电压达到100 V时开始发光.下列说法中正确的有 ( )![]()
| A.开关接通后,氖泡的发光频率为100 Hz |
| B.开关接通后,电压表的示数为100 V |
| C.开关断开后,电压表的示数变大 |
| D.开关断开后,变压器的输出功率不变 |
2008年1月份,我国南方大部分地区遭遇特大雪灾,输电线表面结冰严重,导致线断塔倒.某学校实验兴趣小组设计了利用输电导线自身电阻发热除冰的救灾方案,处理后的电路原理如图5所示,输电线路终端降压变压器用模拟负载R0代替,RL为输电线电阻,并将电阻RL放入冰雪中,在变压器原线圈两端加上交变电流后即出现冰雪融化的现象.为了研究最好除冰方案,下列模拟实验除给定操作外,其他条件不变,不考虑其可行性,你认为其中最合理的是 ( )![]()
| A.将调压变压器滑动触头P向上移动一些 |
| B.将调压变压器滑动触头P向下移动一些,同时延长通电时间 |
| C.通过计算,选择适当输出电压,并闭合S将模拟负载R0短时短路 |
| D.通过计算,选择适当输出电压,并将模拟负载R0的阻值增大一些 |
如图4所示,一理想变压器原、副线圈匝数比为3∶1,原线圈中串一个灯泡L,副线圈上接三个与L相同的灯泡,这三个灯泡均能正常发光,则 ( )![]()
| A.灯L也能正常发光 |
| B.灯L比另三灯都暗 |
| C.灯L将会被烧坏 |
| D.不能确定 |
如图3所示,左侧的圆形导电环半径为r=1.0 cm,导电环与一个理想变压器的原线圈相连,变压器的副线圈两端与一个电容为C=100 pF的电容器相连,导电环的电阻不计,环中有垂直于圆环平面的变化磁场,磁感应强度B的变化率为
=100
πsinωt,若电容器C所带电荷量的最大值为1.41×10-9C,则所用理想变压器的原、副线圈的
匝数之比为(取π2=10) ( )
| A.1∶100 | B.100∶1 |
| C.1∶100 | D.100 |