如图2所示,有一理想变压器,原、副线圈的匝数比为n.原线圈接正弦交流电压U,输出端接有一个交流电流表和一个电动机.电动机线圈电阻为R.当输入端接通电源后,电流表读数为I,电动机带动一重物匀速上升.下列判断正确的是 ( )![]()
| A.电动机两端电压为IR |
| B.电动机消耗的功率为I2R |
| C.原线圈中的电流为nI |
| D.变压器的输入功率为 |
一理想变压器原、副线圈匝数比n1∶n2=11∶5,原线圈与正弦交变电源连接,输入电压u如图1所示.副线圈仅接入一个10 Ω的电阻.则 ( )![]()
| A.流过电阻的电流是20 A |
| B.与电阻并联的电压表的示数是100 |
| C.经过1分钟电阻发出的热量是6×103 J |
| D.变压器的输入功率是1×103 W |
如图所示,一理想变压器的原线圈匝数为n1=1000匝,副线圈匝数为n2=200匝,电阻R=8.8Ω,原线圈接入一电压
(V)的交流电源,电压表和电流表对电路的影响可忽略不计,则( )![]()
| A.副线圈交变电流的频率是100 Hz |
| B.t=1s的时刻,电压表的示数为0 |
| C.变压器的输入电功率为220W |
| D.电流表的示数为10A |
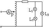
如图所示,接在照明电路中的自耦变压器的副线圈上通过输电线接有三个灯泡L1、L2和L3,输电线的等效电阻为R。当滑动触头P向上移动一段距离后,下列说法正确的是:( )![]()
| A.等效电阻R上消耗的功率变小 | B.三个灯泡都变暗 |
| C.原线圈两端的输入电压增大 | D.原线圈中电流表示数减小 |
(2009年高考山东理综卷)某小型水电站的电能输送示意图如图所示,发电机的输出电压为200 V,输电线总电阻为r,升压变压器原副线圈匝数分别为n1、n2,降压变压器原副线圈匝数分别为n3、n4(变压器均为理想变压器).要使额定电压为220 V的用电器正常工作,则( )![]()
| A. |
| B. |
| C.升压变压器的输出电压等于降压变压器的输入电压 |
| D.升压变压器的输出功率大于降压变压器的输入功率 |
(2011年富阳二中高三月考)在某交变电流电路中,有一个正在工作的理想变压器,如图所示.它的原线圈匝数n1=600匝,交流电源的电动势e=311 sin(100πt) V(不考虑其内阻),电压表和电流表对电路的影响可忽略不计,原线圈串联一个额定电流为0.2 A的保险丝,副线圈匝数n2=120匝,为保证保险丝不被烧断,则( )![]()
| A.负载功率不能超过62 W |
| B.副线圈电流最大值不能超过1 A |
| C.副线圈电路中的电阻R不能小于44 Ω |
| D.副线圈电路中电压表的读数为62 V |
(2009年高考江苏卷)如图所示,理想变压器的原、副线圈匝数比为1∶5,原线圈两端的交变电压为u=20
sin 100πt(V).氖泡在两端电压达到100 V时开始发光,下列说法中正确的有( )![]()
| A.开关接通后,氖泡的发光频率为100 Hz |
| B.开关接通后,电压表的示数为100 V |
| C.开关断开后,电压表的示数变大 |
| D.开关断开后,变压器的输出功率不变 |
(2011年北京西城区抽样)如图所示,理想变压器的输出端有三组次级线圈,分别接有电阻元件R、电感元件L和电容元件C.若用IR、IL、IC分别表示通过R、L和C的电流,则下列说法中正确的是( )![]()
| A.若M、N接正弦式交流电,则IR≠0、IL≠0、IC=0 |
| B.若M、N接正弦式交流电,则IR≠0、IL≠0、IC≠0 |
| C.若M、N接恒定电流,则IR≠0、IL≠0,IC≠0 |
| D.若M、N接恒定电流,则IR≠0、IL≠0,IC=0 |
理想变压器原、副线圈匝数比为10∶1,以下说法中正确的是( )
| A.穿过原、副线圈每一匝磁通量之比是10∶1 |
| B.穿过原、副线圈每一匝磁通量的变化率相等 |
| C.原、副线圈每一匝产生的电动势瞬时值之比为10∶1 |
| D.正常工作时原、副线圈的输入、输出功率之比为10∶1 |
(2009年高考四川理综卷)如图甲所示,理想变压器原、副线圈的匝数比为10∶1,R1=20 Ω,R2=30 Ω,C为电容器,已知通过R1的正弦交流电如图乙所示,则( )![]()
| A.交流电的频率为0.02 Hz |
| B.原线圈输入电压的最大值为200 |
| C.电阻R2的电功率约为6.67 W |
| D.通过R3的电流始终为零 |