如图所示,为一理想变压器,K为单刀双掷开关,P为滑动变阻器的滑动触头,U1为加在原线圈两端的电压,I1为原线圈中的电流强度,则( )![]()
| A.保持U1及P的位置不变,K由a合到b时,I1将增大 |
| B.保持U1及P的位置不变,K由b合到a时,R消耗的功率减小 |
| C.保持U1不变,K合在a处,使P上滑,I1将增大 |
| D.保持P的位置不变,K合在a处,若U1增大,I1将增大 |
如图所示,理想变压器原、副线圈的匝数比为11∶2,原线圈两端的输入电压u=220
sin 100πt(V),电表均为理想电表,滑动变阻器R接入电路部分的阻值为10 Ω.下列叙述中正确的是( )![]()
| A.该交流电的频率为50 Hz |
| B.电压表的读数为42 |
| C.电流表的读数为4 A |
| D.若滑动变阻器的滑片P向a端移动,电流表的读数变大 |
(2010·山东卷)19.一理想变压器原、副线圈的匝数比为10:1,原线圈输入电压的变化规律如图甲所示,副线圈所接电路如图乙所示,P为滑动变阻器的触头。![]()
| A.副线圈输出电压的频率为50Hz |
| B.副线圈输出电压的有效值为31V |
| C.P向右移动时,原、副线圈的电流比减小 |
| D.P向右移动时,变压器的输出功率增加 |
(2010· 江苏卷)在如图多事的远距离输电电路图中,升压变压器和降压变压器均为理想变压器,发电厂的输出电压和输电线的电阻均不变,随着发电厂输出功率的增大,下列说法中正确的有![]()
| A.升压变压器的输出电压增大 |
| B.降压变压器的输出电压增大 |
| C.输电线上损耗的功率增大 |
| D.输电线上损耗的功率占总功率的比例增大 |
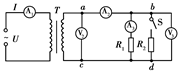
(2010·天津卷)7.为探究理想变压器原、副线圈电压、电流的关系,将原线圈接到电压有效值不变的正弦交流电源上,副线圈连接相同的灯泡L1、L2,电路中分别接了理想交流电压表V1、V2和理想交流电流表A1,A2,导线电阻不计,如图所示。当开关S闭合后 ![]()
| A.A1示数变大,A1与A2示数的比值不变 |
| B.A1示数变大,A1与A2示数的比值变大 |
| C.V2示数变小,V1与V2示数的比值变大 |
| D.V2示数不变,V1与V2示数的比值不变 |