(2011·浙江理综·T16)如图所示,在铁芯上、下分别绕有匝数n1=800和n2=200的两个线圈,上线圈两端与u=51sin314tV的交流电源相连,将下线圈两端接交流电压表,则交流电压表的读数可能是![]()
| A.2.0V | B.9.0V |
| C.12.7V | D.144.0V |
(2011·山东高考·T20)为保证用户电压稳定在220V,变电所需适时进行调压,图甲为调压变压器示意图。保持输入电压
不变,当滑动接头P上下移动时可改变输出电压。某此检测得到用户电压
随时间t变化的曲线如图乙所示。以下正确的是 ( )![]()
| A. |
| B. |
| C.为使用户电压稳定在220V,应将P适当下移 |
| D.为使用户电压稳定在220V,应将P适当上移 |
2011·新课标全国卷·T17)如图,一理想变压器原副线圈的匝数比为1:2;副线圈电路中接有灯泡,灯泡的额定电压为220V,额定功率为22W;原线圈电路中接有电压表和电流表。现闭合开关,灯泡正常发光。若用U和I分别表示此时电压表和电流表的读数,则![]()
| A.U="110V" , I=0.2A |
| B.U="110V" , I="0.05" A |
| C.U=110 |
| D.U=110 |
如图所示,理想变压器原、副线圈的匝数比为10∶1,b是原线圈的中心抽头,电压表V和电流表A均为理想交流电表,从某时刻开始在原线圈c、d两端加上交变电压,其瞬时值表达式u1=220
sin100 πt V,则( )![]()
| A.当单刀双掷开关与a连接时,电压表的示数为22 V |
| B.当t= |
| C.单刀双掷开关与a连接,在滑动变阻器触头P向上移动的过程中,电压表和电流表的示数均变小 |
| D.当单刀双掷开关由a扳向b时,电压表和电流表的示数均变小 |
如图甲所示的电路中,理想变压器原、副线圈匝数比为5︰l,原线圈接入图乙所示的电压,副线圈接火灾报警系统 (报警器未画出),电压表和电流表均为理想电表,R0为定值电阻,R为半导体热敏电阻,其阻值随温度的升高而减小。下列说法中正确的是( )![]()
| A.图乙中电压的有效值为110 |
| B.R处出现火警时电流表示数增大 |
| C.电压表的示数为44V |
| D.R处出现火警时电阻R0消耗的电功率减小 |
一理想变压器原、副线圈匝数比n1:n2=11:5。原线圈与正弦交变电源连接,输入电压u如图所示。副线圈仅接入一个10
的电阻。则
| A.流过电阻的电流是20 A |
| B.与电阻并联的电压表的示数是100 |
| C.经过1分钟电阻发出的热量是6×103 J |
| D.变压器的输入功率是1×103 W |
如图10-1所示,一个理想变压器原、副线圈的匝数比n1:n2 = 6:1,副线圈两端接三条支路,每条支路上都接有一只灯泡,电路中L为电感线圈、C为电容器、R为定值电阻。当原线圈两端接有如图10-2所示的交流电时,三只灯泡都能发光。如果加在原线圈两端的交流电的峰值保持不变,而将其频率变为原来的2倍,则对于交流电的频率改变之后与改变前相比,下列说法中正确的是( )![]()
| A.副线圈两端的电压有效值均为6V |
| B.副线圈两端的电压有效值均为 |
| C.灯泡Ⅰ变亮,灯泡Ⅱ变亮 |
| D.灯泡Ⅱ变暗,灯泡Ⅲ变亮 |
如图6所示,理想变压器的输入端接正弦交流电,副线圈上通过输电线接有两个相同的灯泡L1和L2,输电线的等效电阻为R1。当滑动变阻器R2的滑片P向下滑动时,以下说法中正确的是( )![]()
| A.副线圈的两端M、N的输出电压减小 |
| B.副线圈输电线等效电阻R1上的电压不变 |
| C.副线圈消耗的总功率减小 |
| D.原线圈中输入功率增大 |
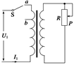
如图所示为一理想变压器,S为双掷开关,P为滑动变阻器的滑动触头,U1为加在原线圈两端的交变电压,I1为原线圈中的电流,则![]()
| A.保持U1及P的位置不变,S由a接到b时,I1减小 |
| B.保持U1及P的位置不变,S由b接到a时,R消耗的功率减小 |
| C.保持U1不变,S接在a处,使P上滑时,I1增大 |
| D.保持P的位置不变,S接在a处,当U1增大时,I1增大 |