调压变压器就是一种自耦变压器,它的构造如图乙 所示.线圈AB绕在一个圆环形的铁芯上,CD之间输入交变电压,转动滑动触头P就可以调节输出电压.图乙中两电表均为理想交流电表,R1、R2为定值电阻,R3为滑动变阻器. 现在CD两端输入图甲所示正弦式交流电,变压器视为理想变压器,那么( )![]()
| A.由甲图可知CD两端输入交流电压u的表达式为 |
| B.当动触头P逆时针转动时,MN之间输出交流电压的频率变大 |
| C.当滑动变阻器滑动触头向下滑动时,电流表读数变大,电压表读数也变大 |
| D.当滑动变阻器滑动触头向下滑动时,电阻R2消耗的电功率变小 |
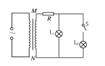
如图所示,理想变压器的副线圈上通过输电线接有两个相同的灯泡L1和L2,输电线的等效电阻为R,开始时,开关S断开.当S接通时,以下说法中正确的是( ) ![]()
| A.副线圈两端M、N的输出电压减小 |
| B.副线圈输电线等效电阻R两端的电压将增大 |
| C.通过灯泡L1的电流增大 |
| D.原线圈中的电流增大 |
如图为理想变压器原线圈所接电源电压波形,原副线圈匝
数之比n1∶n2 = 10∶1,串联在原线圈电路中电流表的示数为1A,下则说法正确的是( )![]()
| A.变压器输出两端所接电压表的示数为 |
| B.变压器输出功率为220W |
| C.变压器输出的交流电的频率为50HZ |
| D.该交流电每秒方向改变50次 |
如图所示为两个互感器,在图中圆圈内a、b表示电表,已知电压比为100,电流比为10,电压表的示数为220V,电流表的示数为10A,则( ) ![]()
| A.a为电流表,b为电压表 | B.a为电压表,b为电流表 |
| C.a为电流表,b为电流表 | D.a为电压表,b为电压表 |
关于变压器,下列说法正确的是( )
| A.变压器可以改变直流电压 |
| B.变压器是根据电磁感应原理工作的 |
| C.变压器可以把其它形式的能转化为电能 |
| D.降压变压器的次级线圈的匝数比初级多 |
如图所示,理想变压器的副线圈上通过输电线接有两个相同的灯泡L1和L2,输电线的等效电阻为R。开始时,开关S断开。当S接通时,以下说法中正确的是( )
| A.副线圈两端M、N的输出电压减小 |
| B.副线圈输电线等效电阻R上的电压减小 |
| C.通过灯泡L1的电流减小 |
| D.原线圈中的电流变大 |
如图甲所示,理想变压器原、副线圈的匝数之比为10:1,R1=20Ω,R2=30Ω,C为电容器。已知通过R1的正弦交流电如图乙所示,则
![]()
甲 乙
| A.交流电的频率为0.02Hz |
| B.原线圈输入电压的最大值为220 |
| C.电阻R2的电功率约为6.67W |
| D.通过R3的电流始终为零 |
理想变压器在正常使用过程中,则
| A.如果副线圈处于开路,则原线圈电压为零 |
| B.如果副线圈处于开路,则原线圈输入功率趋于无限大 |
| C.如果副线圈负载电阻减小,则原线圈从电源获取功率减小 |
| D.如果副线圈负载电阻减小,则原线圈从电源获取功率增加 |
如右图甲,在闭合的铁芯上绕着两个线圈,两个线圈的匝数比n1∶n2=1∶3。a、b两端加上如右图乙的交流电;c、d两端接一个可变电阻R。下列说法正确的是 ( )
| A.c、d两端电压的有效值是933V |
| B.通过电阻R的电流频率是150Hz |
| C.减小电阻R的阻值,a、b两端的 输入功率将增大 |
| D.减小电阻R的阻值,a、b两端的输入电流将变小 |
如图9所示为理想变压器原线圈所接交流电压的波形.原、副线圈匝数比
,串联在原线圈电路中电流表的示数为1 A,下列说法中正确的是![]()
| A.变压器的输出功率为200W |
| B.变压器副线圈的电流为0.1A |
| C.变压器输出端的交流电的频率为100 Hz |
| D.此变压器为降压变压器 |