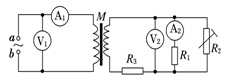
如图所示,M是一小型理想变压器,接线柱a、b接在电压“u=311sin314t(V)的正弦交流电源上,变压器右侧部分为一火警报警系统,其中R2是用半导体热敏材料(电阻随温度升高而降低)制成的传感器,电流表A2是值班室的显示器,显示通过R1的电流,电压表V2显示加在报警器上的电压(报警器未画出),R3是一定值电阻.当传感器R2所在处出现火情时,下列说法正确的是( )![]()
| A.A1的示数不变,A2的示数增大 |
| B.A1的示数增大,A2的示数增大 |
| C.V1的示数增大,V2的示数增大 |
| D.V1的示数不变,V2的示数减小 |
如图所示,T为理想变压器,A1、A2为交流电流表,R1、R2为定值电阻,R3为滑动变阻器,原线圈两端接恒压交流电源,当滑变阻器的滑动触头向下滑动时( )![]()
| A.A1的读数变大,A2读数变大 | B.A1的读数变大,A2读数变小 |
| C.A1的读数变小,A2读数变大 | D.A1的读数变小,A2的读数变小 |
关于理想变压器的工作原理,以下说法正确的是( )
| A.通有正弦交变电流的原线圈产生的磁通量不变 |
| B.穿过原、副线圈的磁通量在任何时候都不相等 |
| C.穿过副线圈磁通量的变化使副线圈产生感应电动势 |
| D.原线圈中的电流通过铁芯流到了副线圈 |
如图所示为一理想变压器,S为一单刀双掷开关,P为滑动变阻器的滑动片,U1为加在原线圈两端的电压,I1为原线圈中的电流。则( )![]()
| A.保持U1及P的位置不变,S由a拨到b时,I1将增大 |
| B.保持U1及P的位置不变,S由b拨到a时,R消耗的功率减小 |
| C.保持U1不变,S拨到a处,使P上滑,I1将增大 |
| D.保持P的位置不变,S拨到a处,若U1增大,I1将增大 |
如图所示为两个互感器,在图中圆圈内a、b表示电表,已知电压比为100,电流比为10,电压表的示数为220V,电流表的示数为10A,则( )![]()
| A.a为电压表,b为电流表,线路输送电功率是2.2×106W |
| B.a为电流表,b为电压表,线路输送电功率是2200W |
| C.a为电流表,b为电压表,线路输送电功率是2.2×106W |
| D.a为电压表,b为电流表,线路输送电功率是2200W |
如图所示,交流电源接理想变压器原线圈两端,电源电动势E=200V,内阻r=10Ω,变压器原副线圈匝数比为5:1.电路中电表均为理想电表,副线圈接一个滑动变阻器,调节变阻器的阻值,下面说法正确的是( )![]()
| A.电压表的示数总是40V |
| B.电流表A1示数为5A时,电压表示数为30V |
| C.电源输出功率最大时,电压表示数为20V |
| D.电源输出功率最大时,电流表A2示数为2A |
图中B为理想变压器,接在交变电压有效值保持不变的电源上.L为指示灯,灯泡L1和L2完全相同(其阻值均恒定不变),R是一个定值电阻,电压表、电流表都为理想电表。开始时开关S是闭合的,当S断开后,下列说法正确的是( )![]()
| A.电流表A2的示数变大 | B.电压表的示数变大 |
| C.电流表A1的示数变小 | D.灯泡L1的亮度变暗 |