(2011年高考福建卷)图甲中理想变压器原、副线圈的匝数之比n1∶n2=5∶1,电阻R=20 Ω,L1、L2为规格相同的两只小灯泡,S1为单刀双掷开关.原线圈接正弦交变电源,输入电压u随时间t的变化关系如图乙所示.现将S1接1、S2闭合,此时L2正常开光.下列说法正确的是( )![]()
| A.输入电压u的表达式u=20 |
| B.只断开S2后,L1、L2均正常发光 |
| C.只断开S2后,原线圈的输入功率增大 |
| D.若S1换接到2后,R消耗的电功率为0.8 W |
如图所示的电路中要使电流表读数变大,可采用的方法有( )![]()
| A.将R上的滑片向上移动 |
| B.将R上的滑片向下移动 |
| C.将开关S由1掷向2 |
| D.将开关S由1掷向3 |
如图所示,P为一理想自耦变压器的滑片,Q为滑动变阻器的滑动触头.在输入交变电压一定的条件下,下列说法正确的是( )
| A.Q不动,P向下移动,电流表示数减小,电压表示数增大 |
| B.Q不动,P向上移动,电流表示数减小,电压表示数减小 |
| C.P不动,Q向上移动,电流表示数增大,电压表示数不变 |
| D.P不动,Q向下移动,电流表示数增大,电压表示数不变 |
图甲所示电路中,A1、A2、A3为相同的电流表,C为电容器,电阻R1、R2、R3的阻值相同,线圈L的电阻不计.在某段时间内理想变压器原线圈内磁场的变化如图乙所示,则在t1~t2时间内( )![]()
| A.电流表A1的示数比A2的小 |
| B.电流表A2的示数比A3的小 |
| C.电流表A1和A2的示数相同 |
| D.电流表的示数都不为零 |
如图所示,理想变压器的原副线圈的匝数比n1∶n2=2∶1,原线圈接正弦式交流电,副线圈接电动机,电动机线圈电阻为R,当输入端接通电源后,电流表读数为I,电动机带动一质量为m的重物以速度v匀速上升,若电动机因摩擦造成的能量损失不计,则图中电压表的读数为( )![]()
| A.4IR+ | B. |
| C.4IR | D. |
理想变压器原线圈接在电压不变的交流电源上,副线圈通过输电导线接两个相同的灯泡L1和L2,输电线的等效电阻为R,如图所示,开始时,开关S断开,当S接通时,以下说法中正确的是( ) ![]()
| A.副线圈两端的输出电压减小 |
| B.通过灯泡L1的电流减小 |
| C.原线圈中的电流增大 |
| D.变压器的输出功率加大 |
如图M是一小型理想变压器,接线柱a、b接在电压u=311sin314t(v)的正弦交流电源上,变压器右侧部分为一火警报警系统原理图,其中R2为用半导体热敏材料制成的传感器.所有电表均为理想电表,电流表A2为值班室的显示器,显示通过R1的电流;电压表V2显示加在报警器上的电压(报警器未画出),R3为一定值电阻.当传感器R2处出现火情时,以下说法中正确的是( )![]()
| A.A1的示数增大,A2的示数增大 |
| B.A1的示数增大,A2的示数减小 |
| C.V1的示数减小,V2的示数减小 |
| D.V1的示数增大,V2的示数增大 |
如图所示为一理想变压器,原、副线圈的匝数比为n.原线圈接电压为u=U0sinωt的正弦交流电,输出端接有一个交流电流表和一个电动机,电动机的线圈电阻为R.当输入端接通电源后,电动机带动一质量为m的重物匀速上升,此时电流表的示数为I,重力加速度为g,下列说法正确的是( )![]()
| A.电动机两端电压为IR |
| B.电动机消耗的电功率为 |
| C.原线圈中的电流为nI |
| D.重物匀速上升的速度为 |
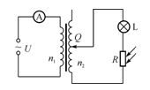
如图所示,一理想变压器的原线圈匝数为n1,连接一理想电流表;副线圈接入电路的匝数n2可以通过滑动触头Q调节,副线圈接有灯泡L和光敏电阻R(光照加强时,R的阻值会变小),则( )![]()
| A.只使Q向上滑动,灯泡变亮 |
| B.只使Q向上滑动,电流表读数变小 |
| C.只加强光照,电流表读数变大 |
| D.只加强光照,原线圈的输入功率变小 |
如图所示,有5个完全相同的灯泡连接在理想变压器的原、副线圈电路中,如图所示。若将该线路与交流电源接通,且电键K接1位置时,5个灯泡发光亮度相同;若将电键K接至2位置时,灯均未被烧坏,则下述正确的是![]()
| A.该变压器是降压变压器,原副线圈的匝数比为4:1 |
| B.该变压器为升压变压器,原副线圈的匝数比为1:4 |
| C.副线圈电路中的灯仍能发光,只是更亮些 |
| D.副线圈电路中的灯仍能发光,只是暗了些 |