如图所示,一理想变压器原线圈匝数n1=1100匝,副线圈匝数n2=220匝,交流电源的电压U=
,电阻R=44Ω电压表、电流表均为理想电表,则( ) ![]()
| A.交流电的频率为50Hz |
| B.电流表A1的示数为1A |
| C.电流表A2的示数为4A |
| D.电压表的示数为44V |
如图甲所示,理想变压器原、副线圈的匝数比为10:1,R1=20Ω,R2=30Ω,C为电容器,已知通过R1的正弦交流电如图乙所示,则![]()
| A.交流电的频率为50Hz |
| B.原线圈输入电压的最大值为 |
| C.通过R3的电流始终为零 |
| D.电阻R2的电功率约为6.67w |
如图甲中理想变压器原、副线圈的匝数之比n1∶n2=5∶1,电阻R=20 Ω,L1、L2 为规格相同的两只小灯泡,S1为单刀双掷开关.原线圈接正弦交变电源,输入电压u随时间t的变化关系如图乙所示.现将S1接1、S2闭合,此时L2正常开光.下列说法正确的是
![]()
| A.输入电压u的表达式u=20 |
| B.只断开S2后,L1、L2均正常发光 |
| C.只断开S2后,原线圈的输入功率减小 |
| D.若S1换接到2后,R消耗的电功率为0.8 W |
一理想变压器原、副线圈的匝数比为10:1,原线圈输入电压的变化规律如图甲所示,副线圈所接电路如图乙所示,P为滑动变阻器的触头。
K^S*5U.C#O%下
| A.副线圈输出电压的频率为5Hz |
| B.副线圈输出电压的有效值为31V |
| C.P向右移动时,原、副线圈的电流比减小 |
| D.P向右移动时,变压器的输出功率增加 |
如图,一理想变压器原线圈接入一交流电源,副线圈电路中R1、R2、R3和R4均为固定电阻,开关S是闭合的。V1和V2为理想电压表,读数分别为U1和U2;A1、A2 和A3为理想电流表,读数分别为I1、I2和I3。现断开S,U1数值不变,下列推断中正确的是( )![]()
| A.U2变小、I3变小 | B.U2不变、I3变大 |
| C.I1变小、I2变小 | D.I1变大、I2变小 |
某农村水力发电站的发电机输出电压稳定,它发出的电先通过电站附近的升压变压器升压,然后用输电线路把电能输送到远处村寨附近的降压变压器.降低电压后,再用线路接到各用户,设两变压器都是理想变压器,那么在用电高峰期,白炽灯不够亮,但用电总功率增加,这时( )
| A.升压变压器的副线圈的电压变大 |
| B.高压输电线路的电压损失变大 |
| C.降压变压器的副线圈上的电压变大 |
| D.降压变压器的副线圈上的电压变小 |
某小型水电站的电能输送示意图如图.发电机的输出电压为 220V,输电线总电阻为 r,升压变压器原、副线圈匝数分别为n1、n2 .降压变压器原、副圈线匝数分别为 n3、n4(变压器均为理想变压器).要使额定电压为 220V 的用电器正常工作,则( ) ![]()
| A. |
| B. |
| C.升压变压器的输出电压等于降压变压器的输入电压 |
| D.升压变压器的输出功率大于降压变压器的输入功率 |
如图所示,L1和L2是输电线,甲是电压互感器,乙是电流互感器。若已知变压比为1000:1,变流比为100:1,并且知道电压表示数为220V,电流表示数为10A,则输电线的输送功率为( )
| A.2.2X10-2W | B.2.2X103 W | C.2.2X104W | D.2.2X108 W |
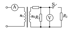
某理想变压器的原、副线圈按如图6所示电路连接,图中电表均为理想交流电表,且R1=R2,电键S原来闭合.现将S断开,则电压表的示数U、电流表的示数I、变压器原线圈的输入功率P、电阻R1上的功率P1的变化情况分别是 ( ) ![]()
| A.U减小 | B.I增大 |
| C.P减小 | D.P1减小 |
用理想变压器给纯电阻负载供电时,为了增大输入电流,下列办法中可行的是( )
| A.增加原线圈的匝数 | B.增加副线圈的匝数 |
| C.在副线圈上多串联一个电阻 | D.使绕制线圈的导线粗一些 |