图甲中理想变压器原、副线圈的匝数之比
,电阻
,
、
为规格相同的两只小灯泡,S1为单刀双掷开关。原线圈接正弦交流电源,输入电压
随时间
的变化关系如图所示。现将S1接1、S2闭合,此时
正常发光。下列说法错误的是( )![]()
| A.输入电压 |
| B.保持S1接1,断开S2后, |
| C.保持S1接1,断开S2后,原线圈的输入功率增大 |
| D.若S1换接到2后, |
如图所示电路中变压器为理想变压器,S为单刀双掷开关,P是滑动变阻器R的滑动触头,U1为加在原线圈两端的交变电压,I1、I2分别为原线圈和副线圈中的电流,下列说法正确的是( )![]()
| A.保持P的位置及U1不变,S由b切换到a,则R上消耗的功率减小 |
| B.保持P的位置及U1不变,S由a切换到b,则I2减小 |
| C.保持P的位置及U1不变,S由b切换到a,则I1增大 |
| D.保持U1不变,S接在b端,将P向上滑动,则I1减小 |
如图所示的交流电路中,理想变压器原线圈输入电压为U1,输入功率为P1,输出功率为P2,各交流电表均为理想电表.当滑动变阻器R的滑动头向下移动时 ![]()
| A.灯L变亮 |
| B.各个电表读数均变大 |
| C.因为U1不变,所以P1不变 |
| D.P1变大,且始终有P1= P2 |
如图甲所示电路中,理想变压器原、副线圈的匝数比n1:n2=6:1, L为电感线圈、C为电容器、R为定值电阻。当原线圈两端接有如图乙所示的交流电时,三只灯泡都能发光.如果保持原线圈两端的电压最大值不变,而将其频率变为原来的2倍,下列说法中正确的是( )
| A.副线圈两端的电压有效值为12V |
| B.副线圈两端的电压有效值为6V |
| C.灯泡Ⅱ变亮 |
| D.灯泡Ⅲ变亮 |
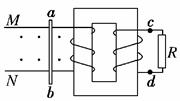
如下图A所示,足够长的光滑导轨ab、cd水平置于竖直向下的匀强磁场中,变压器为理想变压器。现用水平向右的恒力F使金属杆MN从静止开始向右运动。下列说法正确的是( )![]()
| A.通过线圈n1的电流为直流电且方向从a到c |
| B.电阻R始终没有电流 |
| C.电阻R先有电流后没有电流 |
| D.杆MN做匀加速运动 |
如图所示,两个线圈套在同一个铁芯上,线圈的绕向在图中已经标出.左线圈连着平行导轨M和N,导轨电阻不计,在导轨垂直方向上放着金属棒ab,金属棒处在垂直于纸面向外的匀强磁场中.下列说法中正确的是( )![]()
| A.当金属棒ab向右匀速运动时,a点电势高于b点,c点电势高于d点 |
| B.当金属棒ab向右匀速运动时,b点电势高于a点,c点与d点等电势 |
| C.当金属棒ab向右加速运动时,b点电势高于a点,c点电势高于d点 |
| D.当金属棒ab向右加速运动时,b点电势高于a点,d点电势高于c点 |
一理想变压器给负载供电,变压器输入电压不变,如图所示.如果负载电阻的滑动片向上移动,则图中所有交流电表的读数及输入功率变化情况正确的是(均为理想电表)( )![]()
| A.V1、V2不变,A1增大,A2减小,P增大 |
| B.V1、V2不变,A1、A2增大,P增大 |
| C.V1、V2不变,A1、A2减小,P减小 |
| D.V1不变,V2增大,A1减小,A2减小,P减小 |
一理想变压器给负载供电,变压器输入电压不变,如图所示.如果负载电阻的滑动片向上移动,则图中所有交流电表(均为理想电表)的读数及输入功率P变化情况正确的是( ) ![]()
| A.V1、V2不变,A1增大,A2减小,P增大 |
| B.V1、V2不变,A1、A2减小,P减小 |
| C.V1、V2不变,A1、A2增大,P增大 |
| D.V1不变,V2增大,A1减小,A2减小,P减小 |
如图是一个理想变压器的示意图,S为单刀双掷开关,P是滑动变阻器的滑动触头,R0是定值电阻,保持交变电压U1不变.则![]()
| A.若P不动,S由a到b处,电流表示数减小 |
| B.若P不动,S由a到b处,电压表示数增大 |
| C.若S置于b处,将P上滑,电流表示数增大 |
| D.若S置于b处,将P上滑,电压表示数增大 |
如图,理想变压器原线圈输入电压u=
,副线圈电路中
为定值电阻,R是滑动变阻器。
和
是理想交流电压表,示数分别用
和
表示;
是理想交流电流表,示数分别用
和
表示。下列说法正确的是![]()
| A. |
| B. |
| C.滑片P向下滑动过程中, |
| D.滑片P向下滑动过程中, |