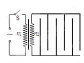
图甲是某燃气炉点火装置的原理图。转换器将直流电压转换为图乙所示的正弦交变电压,并加在一理想变压器的原线圈上,变压器原、副线圈的匝数分别为
、
。V为交流电压表。当变压器副线圈电压的瞬时值大于5000V时,就会在钢针和金属板间引发电火花进而点燃气体。以下判断正确的是( )![]()
| A.电压表的示数等于5V |
| B.电压表的示数等于 |
| C.实现点火的条件是 |
| D.实现点火的条件是 |
如图甲所示,理想变压器原、副线圈的匝数比为10:1,R1=20Ω,R2=30Ω,C为电容器。已知通过R1的正弦交流电如图乙所示,则( )![]()
| A.交流电的频率为0.02 Hz |
| B.原线圈输入电压的最大值为200 |
| C.电阻R2的电功率约为6.67 W |
| D.通过R3的电流始终为零 |
如图所示,理想变压器的副线圈上通过输电线接有三个灯炮L1、L2和L3,输电线的等效电阻为R,原线圈接有一个理想的电流表,开始时,开关S接通,当S断开时,以下说法中正确的是 ![]()
| A.灯炮L1和L2变亮 |
| B.原线圈中电流表示数增大 |
| C.等效电阻R上消耗的功率变大 |
| D.原线圈两端P、Q间的输入电压减小 |
如图甲所示,M是一个小型理想变压器,原副线圈匝数之比
,接线柱
、
接上一个正弦交变电源,电压随时间变化规律如图乙所示。变压器右侧部分为一火警报警系统原理图,其中
为用半导体热敏材料(电阻随温度升高而减小)制成的传感器,
为一定值电阻。下列说法中正确的是 ![]()
| A.电压表 V示数为 22V |
| B.此交变电源的频率为 50Hz |
| C.当传感器 |
| D.当传感器 |
如图甲所示,理想变压器原、副线圈的匝数比n1:n2=1:10,b是副线圈的中心抽头,各交流电表均为理想电表,定值电阻R1=R2=10Ω.原线圈c、d端加上图乙所示的交变电压.下列说法中正确的是
| A.单刀双掷开关与a连接时,电流表的示数为1A |
| B.单刀双掷开关与a连接时,变压器的输入功率为5W |
| C.单刀双掷开关由a拨向b后,电压表V1、V2的读数均变小 |
| D.单刀双掷开关由a拨向b后,流过R1的电流频率不变 |
自耦变压器铁芯上只绕有一个线圈,原、副线圈都只取该线圈的某部分,一升压式自耦调压变压器的电路如图所示,其副线圈匝数可调。已知变压器线圈总匝数为1900匝;原线圈为1100匝,接在有效值为220V的交流电源上。当变压器输出电压调至最大时,负载R上的功率为2.0kW。设此时原线圈中电流有效值为I1,负载两端电压的有效值为U2,且变压器是理想的,则U2和I1分别约为![]()
| A.380V和5.3A |
| B.380V和9.1A |
| C.240V和5.3A |
| D.240V和9.1A |
如图所示,理想变压器的原线圈接入u=11000
sin100πt(V)的交变电压,副线圈通过电阻r=6Ω的导线对“220V/880W”的电器RL供电,该电器正常工作。由此可知![]()
| A.原、副线圈的匝数比为50∶1 |
| B.交变电压的频率为100Hz |
| C.副线圈中电流的有效值为4A |
| D.变压器的输入功率为880W |
通过一理想变压器,经同一线路输送相同的电功率P,原线圈的电压U保持不变,输电线路总电阻的R。当副线圈与原线圈的匝数比为k时,线路损耗的电功率为P1,若将副线圈与原线圈的匝数比提高到nk,线路损耗的电功率为P2,则P1,和![]()
| A. | B. |
| C. | D. |
电子灭虫器由两种主要部件组成:诱虫的黑光灯和杀虫的电网。黑光灯发出的紫外线能够引诱害虫飞近黑光灯,然后再利用黑光灯周围的交流高压电网将其“击毙”。如图所示是电网的工作电路示意图,理想变压器将有效值为220 V的交变电压变压,输送到电网,电网相邻两平行板电极间距为0.5 cm,空气在常温下被击穿的临界电场强度为6220 V/cm。为防止两极间空气击穿而造成短路,理想变压器的原、副线圈的匝数应满足一定条件,则下列说法正确的是![]()
| A.变压器的原、副线圈的匝数比: |
| B.变压器的副、原线圈的匝数比: |
| C.此变压器为降压变压器 |
| D.此变压器为升压变压器 |
如图,理想变压器的原、副线圈匝数比n1:n2=20:1.—个标有“10V 100W"的灯泡正常发光时( )![]()
| A.输入功率P1=1OOW | B.输入电压U1=1OV |
| C.输入电流I1=0.5A | D.输出电流I2=0.25A |