如图所示,理想变压器的原线圈a、b两端接正弦交流电压,副线圈c、d两端通过输电线接两只相同的灯泡L1、L2,输电线的等效电阻为R,当开关由原来的断开状态变为闭合状态时,下列说法正确的是![]()
| A.电阻R两端的电压减小 | B.通过原线圈的电流增大 |
| C.通过灯泡L.的电流增大 | D.变压器的输入功率减小 |
如图所示,有一理想变压器,原副线圏的匝数比为n,原线圈接正弦交流电,电压为U,副线圏输出端接有理想电压表、理想电流表和一个电动机,电动机线圈的电阻为R。当输入端接通电源后,电动机带动质量为m的重物以速度v匀速上升, 电流表的读数为I。电动机的摩擦不计,取重力加速度为g,则![]()
| A.电压表的读数为IR |
| B.电动机的输入功率为mgv |
| C.变压器的输出功率为UI/n |
| D.变压器的输入功率为UI |
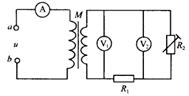
如图所示,M是一个小型理想变压器,原、副线圈匝数之比nl:n2=10:1,接线柱a、b接一正弦交变电源,电压u=311sinl00πt(V)。变压器右侧部分为一火警报警系统原理图,其中R2为用半导体热敏材料制成的传感器(电阻随温度升高而减小),R1为一定值电阻。下列说法正确的是![]()
| A.电压表V1示数为22 V |
| B.当R2所在处出现火警时,电压表V2的示数变小 |
| C.当R2所在处出现火警时,电流表A的示数变小 |
| D.当R2所在处出现火警时,电阻R1的功率变小 |
如图甲所示,一个理想变压器原、副线圈的匝数比n1:n2 = 6:1,副线圈两端接三条支路,每条支路上都接有一只灯泡,电路中L为电感线圈、C为电容器、R为定值电阻。当原线圈两端接有如图乙所示的交流电时,三只灯泡都能发光。如果加在原线圈两端的交流电的峰值保持不变,而将其频率变为原来的2倍,则对于交流电的频率改变之后与改变前相比,下列说法中正确的是 ( )![]()
![]()
| A.副线圈两端的电压有效值均为6V | B.副线圈两端的电压有效值均为216V |
| C.灯泡Ⅰ变亮,灯泡Ⅱ变亮 | D.灯泡Ⅱ变暗,灯泡Ⅲ变亮 |
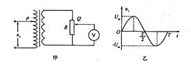
如图甲所示,理想变压器原线圈输入端接如图乙所示的交变电压,移动滑动触头P,可以改变原线圈的匝数。变压器的副线圈与一个滑动变阻器相连,Q为变阻器的滑动触头,电压表为理想交流电压表。下列说法正确的是 ( )![]()
| A.向上移动P,输入电压的频率变大。 |
| B.向上移动P,输入电流不变。 |
| C.保持P不动,向下移动Q,变压器的输入功率减小 |
| D.保持Q不动,向下移动P,电压表的示数增大 |
如图为理想变压器,其原、副线圈的匝数比为2:1,原线圈接有交流电压u=220sin100
t V;图中电压表和电流表均为理想交流电表,Rt为负温度系数的热敏电阻(即当温度升高时,阻值减小),R1为定值电阻,C为电容器.下列说法正确的是( )![]()
| A.电压表示数是110V |
| B.交流电的频率为100 Hz |
| C.通过R1的电流始终为零 |
| D.当Rt处温度升高时,电压表示数不变,电流表示数变大 |
如图2甲所示,一个理想变压器原、副线圈的匝数比n1:n2=6:1,副线圈两端接三条支路,每条支路上都接有一只灯泡,电路中L为电感线圈、C为电容器、R为定值电阻。当原线圈两端接有如图2乙所示的交流电时,三只灯泡都能发光。如果加在原线圈两端的交流电的最大值保持不变,而将其频率变为原来的2倍,则对于交流电的频率改变之后与改变前相比,下列说法中正确的是 ( )![]()
| A.副线圈两端的电压有效值均为216V |
| B.副线圈两端的电压有效值均为6V |
| C.灯泡Ⅰ变亮 |
| D.灯泡Ⅲ变亮 |
如图所示,L1和L2是输电线,甲是电压互感器,乙是电流互感器。若已知甲的变压比为500:1,乙的变流比为200:l,并且已知加在电压表两端的电压为220V,通过电流表的电流为5A,则输电线的输送功率为![]()
| A.1.1×102W | B.1.1×104W |
| C.1.1×l06W | D.1.1×108W |