图中理想变压器原、副线圈的匝数之比为2:1,现在原线圈两端加上交变电压U=311sin(100πt)V时,灯泡L1、L2均正常发光,电压表和电流表可视为理想电表.则下列说法中正确的是![]()
| A.该交流电的频率为100Hz |
| B.若将变阻器的滑片P向上滑动,则电流表读数变大 |
| C.电压表的示数为155.5V |
| D.若将变阻器的滑片P向上滑动,则L1将变暗、L2将变亮 |
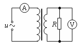
图甲为理想变压器,其原、副线圈的匝数比为4︰l,电压表和电流表均为理想电表,原线圈接图乙所示的正弦交流电,图中Rt为阻值随温度升高而减小的热敏电阻,R1为定值电阻。下列说法正确的是: ![]()
| A.图乙中的正弦交流电的频率为50Hz |
| B.变压器原、副线圈中的电流之比为1︰4 |
| C.变压器输入、输出功率之比为1︰4 |
| D.Rt处温度升高时,电压表和电流表的示数均变大 |
如图所示,理想变压器的原线圈接在u=220
sin(100πt)(V)的交流电源上,副线圈接有R=55 Ω的负载电阻。原、副线圈匝数之比为2∶1,电流表、电压表均为理想电表。下列说法正确的是( ) ![]()
| A.原线圈中电流表的读数为1 A |
| B.原线圈中的输入功率为 |
| C.副线圈中电压表的读数为110 |
| D.若只将负载电阻的大小变为原来的2倍,则负载电阻消耗的功率变为原来的2倍 |
如图甲所示,理想变压器原、副线圈的匝数比 n1:n2=3:1,L1、L2为两相同灯泡,R、L、D和C分别为定值电阻、理想线圈、理想二极管和电容器,其中C = 10
。当原线圈两端接如图乙所示的正弦交流电压时,下列说法中正确的是![]()
![]()
| A.灯泡L1一定比L2暗 |
| B.副线圈两端的电压有效值为 |
| C.电容器C放电周期为 |
| D.电容器C所带电荷量为 |
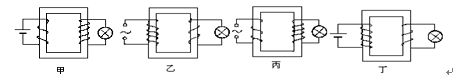
可以将电压升高供给电灯的变压器是 ![]()
| A.甲图 | B.乙图 | C.丙图 | D.丁图 |
如图所示,一理想变压器原、副线圈的匝数比为n:1. 原线圈接正弦交变电压U,副线圈接有一个交流电流表和一个电动机. 电动机线圈电阻为R,当变压器的输入端接通电源后,电流表的示数为I,电动机带动一质量为m的重物以速度v匀速上升,则下列判断正确的是 ( )
| A.电动机两端电压为IR |
| B.电动机的输入功率为I2R |
| C.变压器原线圈中的电流为nI |
| D.变压器的输入功率为 |
利用如图4所示的电流互感器可以测量被测电路中的大电流,若互感器原副线圈的匝数比
,交流电流表A的示数是50mA则 ( )![]()
| A.被测电路的电流有效值为 |
| B.被测电路的电流平均值为 |
| C.被测电路的电流最大值为 |
| D.原副线圈中的电流同时达到最大值 |
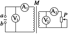
一理想变压器的原线圈连接一只电流表,副线圈接入电路的匝数可以通过触头Q调节,如图所示.在副线圈输出端连接了定值电阻R0和滑动变阻器R,在原线圈上加一电压为U的交流电,则 ![]()
| A.保持Q位置不动,将P向上滑动时,变压器的输出电压变大 |
| B.保持Q位置不动,将P向上滑动时,电流表的读数变大[来源:学|科|网] |
| C.保持P位置不动,将Q向上滑动时,电流表的读数变大 |
| D.保持P位置不动,将Q向上滑动时,变压器的输出功率不变 |