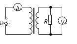
一台理想变压器的原、副线圈的匝数比是11:1,原线圈接入电压为220V的正弦交流电,一个滑动变阻器R接在副线圈上,如图所示。电压表和电流表均为理想交流电表,则下列说法正确的是![]()
| A.原、副线圈中的电流之比为11:1 |
| B.若滑动变阻器接入电路的阻值为20 |
| C.电压表的示数为 |
| D.若将滑动变阻器的滑片向下滑动,则电压表示数不变,电流表的示数减小 |
汽车消耗的主要燃料是柴油和汽油。柴油机是靠压缩汽缸内的空气点火的;而汽油机做功冲程开始时,汽缸中的汽油—空气混合气是靠火花塞点燃的。但是汽车蓄电池的电压只有12V,不能在火花塞中产生火花,因此,要使用如图所示的点火装置,此装置的核心是一个变压器,该变压器初级线圈通过开关连到蓄电池上,次级线圈接到火花塞的两端,开关由机械控制,做功冲程开始时,开关由闭合变为断开,从而在次级线圈中产生10000V以上的电压,这样就能在火花塞中产生火花了。下列说法正确的是( )![]()
| A.柴油机的压缩点火过程是通过做功使空气的内能增大的 |
| B.汽油机点火装置的开关若始终闭合,次级线圈的两端也会有高压 |
| C.接该变压器的初级线圈的电源必须是交流电源,否则就不能在次级产生高压 |
| D.汽油机的点火装置中变压器的初级线圈匝数必须远大于次级线圈的匝数 |
如图8所示,变压器输入电压不变,当开关S闭合后,两电流表示数的变化情况是( )![]()
| A.都变大 | B.都变小 |
| C.A1变大,A2变小 | D.A1不变,A2变小 |
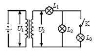
如图所示,变压器的原、副线圈的匝数比一定,原线圈的电压为U1时,副线圈的输出电压为U2,L1、L2、L3为三只完全相同的电灯,开始时,电键K开启,然后当电键K闭合时( )![]()
| A.电压U1不变,U2变大 |
| B.电灯L1变亮,L2变暗 |
| C.电灯L1变暗,L2变亮 |
| D.原线圈中的电流变小 |
如图所示,理想变压器的原线圈接在u=220
sin(100πt)(V)的交流电源上,副线圈接有R=55Ω的负载电阻.原、副线圈匝数之比为2∶1.电流表、电压表均为理想电表.下列说法正确的是( ) ![]()
| A.原线圈中电流表的读数为1 A |
| B.原线圈中的输入功率为 |
| C.副线圈中电压表的读数为110 |
| D.副线圈中输出交流电的周期为50s |
某发电站采用高压输电向外输送电能。若输送的总功率为
,输电电压为U,输电导线的总电阻为R,则下列说法正确的是( )
| A.输电导线上的电流 | B.输电导线上的电流 |
| C.输电导线上损失的功率 | D.输电导线上损失的功率 |
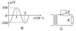
一理想变压器原、副线圈的匝数比为10∶1,原线圈输入电压的变化规律如图所示,副线圈所接电路如图乙所示,P为滑动变阻器的触头.下列说法正确的是( )![]()
| A.副线圈输出电压的频率为50 Hz |
| B.副线圈输出电压的有效值为31 V |
| C.P向右移动时,原、副线圈的电流比减小 |
| D.P向右移动时,变压器的输出功率增加 |
图中理想变压器原、副线圈的匝数之比为2:1,现在原线圈两端加上交变电压
V时,灯泡L1、L2均正常发光,电压表和电流表可视为理想电表.则下列说法中正确的是![]()
| A.该交流电的频率为100Hz |
| B.电压表的示数为155.5V |
| C.若将变阻器的滑片P向上滑动,则L1将变暗、L2将变亮 |
| D.若将变阻器的滑片P向上滑动,则电流表读数变大 |
如图所示电路中的变压器为理想变压器,S为单刀双掷开关,P是滑动变阻器R的滑动触头,原线圈两端接电压恒定的交变电流,则能使原线圈的输入功率变大的是![]()
| A.保持P的位置不变,S由b切换到a |
| B.保持P的位置不变,S由a切换到b |
| C.S置于b位置不动,P向下滑动 |
| D.S置于b位置不动,增大输入电压的频率 |