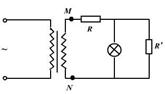
如图所示,理想变压器的输入端接正弦交流电,副线圈上接有定值电阻R、灯泡、以及光敏电阻R’。开始时,没有光照。当光敏电阻被光照射后,下列说法正确的是( )![]()
| A.副线圈的两端M、N的输出电压减小 |
| B.副线圈上定值电阻R上的电压增大 |
| C.通过灯泡的电流增大 |
| D.原线圈中的电流增大 |
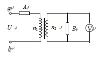
如图所示,理想变压器的原、副线圈匝数之比为n1:n2=3:1,原线圈回路中的电阻A与副线圈回路中的负载电阻B的阻值相等。a、b端加一定交流电压U=311sin100πt(V)后,则( )![]()
| A.两电阻两端的电压比UA:UB=3:1 |
| B.两电阻中的电流之比IA:IB=1:3 |
| C.两电阻消耗的电功率之比PA:PB=1:1 |
| D.电阻B两端的电压表的示数UB=66V |
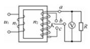
某同学自制变压器,在做副线圈时,将外表涂有绝缘层的导线对折后并在一起在铁芯绕n2圈,导线的两个端头为a、b,从导线对折的中点引出了一个c接头,连线成如图所示的电路(线圈电阻不计).已知原线圈匝数为n1,原线圈的输入电压为u1=U0sint,则下列结论正确的是( )![]()
| A.K打到b时,V表读数为 |
| B.K打到b时,R中电流为零 |
| C.K打到c时,V表读数为 |
| D.K打到c时,R的电功率为 |
中央电视台《焦点访谈》多次报道某些边远落后农村电价过高,农民负担过重.其中客观原因是电网陈旧老化,近年来进行了农村电网改造。为了减少远距离输电线路上的电能损耗而降低电费价格,以下措施中切实可行的是
| A.提高输送功率 | B.用超导材料做输电线 |
| C.减小输电线的横截面 | D.提高输电电压 |
如图8所示,一理想变压器原线圈接入一交流电源,副线圈电路中R1、R2、R3和R4均为固定电阻,开关S是闭合的.○V1和○V2为理想电压表,读数分别为U1和U2;○A1、○A2和○A3为理想电流表,读数分别为I1、I2和I3,现断开S,U1数值不变,下列推断中正确的是______![]()
| A.U2变小 | B.I1变大 | C.I2变小 | D.I3变大 |
如图是街头变压器通过降压给用户供电的示意图。变压器输入电压是市电网的电压,不会有很大的波动。输出电压通过输电线输送给用户,输电线的电阻用R0表示,变阻器R表示用户用电器的总电阻,当滑动变阻器触头P向下移动时,下列说法中正确的是 ![]()
| A.相当于在增加用电器的数目 |
| B.V1表的示数随V2表的示数的增大而增大 |
| C.A1表的示数随A2表的示数的增大而增大 |
| D.变压器的输入功率在减小 |
某发电站用11 kV交变电压输电,输送功率一定,输电线的电阻为R.现若用变压器将电压升高到220 kV送电,下面哪个选项正确
| A.因I= |
| B.因I= |
| C.因P= |
| D.若要使输电线上损失的功率不变,可将输电线的直径减为原来的 |
理想变压器工作时,原线圈输入与副线圈输出的物理量一定相同的是
| A.电压有效值 | B.电流有效值 |
| C.交变电流频率 | D.交变电流电功率 |
如图所示电路中的变压器为理想变压器,S为单刀双掷开关.P是滑动变阻器R的滑动触头,U1为加在原线圈两端的交变电压,I1、I2分别为原线圈和副线圈中的电流.下列说法正确的是( )![]()
| A.保持P的位置及U1不变,S由b切换到a,则R上消耗的功率减小 |
| B.保持P的位置及U1不变,S由a切换到b,则I2减小 |
| C.保持P的位置及U1不变,S由b切换到a,则I1增大 |
| D.保持U1不变,S接在b端,将P向上滑动,则 I1减小 |