某变压器原、副线圈匝数比为55:9,原线圈所接电源电压按上图示规律变化副线圈接有负载。下列判断正确的是 ( )![]()
| A.输出电压的最大值为36V | B.原、副线圈中电流之比为55:9 |
| C.变压器输入、输出功率之比为55:9 | D.交流电源有效值为220V,频率为50Hz |
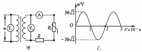
如图甲所示,理想变压器原、副线圈的匝数比为4∶1,电压表和电流表均为理想电表,原线圈接如图乙所示的正弦交流电压,图中R1为热敏电阻(温度升高时其电阻减小),R为定值电阻。下列说法正确的是![]()
| A.电压表V2的示数为9V |
| B.原线圈两端电压的瞬时值表达式为 |
| C.R1处温度升高时,电流表的示数变大,电压表V2的示数变大 |
| D.变压器原线圈的输入功率和副线圈的输出功率之比为1∶4 |
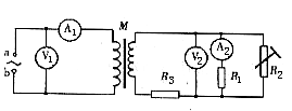
如图所示,M是一小型理想变压器,接线柱a、b接在电压u=311sin314t(V)的正弦交流电源上,变压器右侧部分为一火警报警系统原理图,其中R2为用半导体热敏材料制成的传感器,所有电表均为理想电表,电流表A2为值班室的显示器,显示通过R1的电流,电压表V2显示加在报警器上的电压(报警器未画出),R3为一定值电阻。当传感器R2所在处出现火情时,以下说法中正确的是( )![]()
| A.A1的示数增大,A2的示数增大 |
| B.V1的示数增大,V2的示数增大 |
| C.V1的示数减小,V2的示数减小 |
| D.A1的示数增大,A2的示数减小 |
用电高峰期,电灯往往会变暗,其原理可简化为如下物理问题.如图所示,理想变压器的副线圈上,通过输电线连接两只相同的灯泡L1和L2,输电线的等效电阻为R,原线圈输入有效值恒定的交流电压,当开关S闭合时,以下说法中正确的是![]()
| A.原线圈中电流减小 |
| B.R两端的电压增大 |
| C.副线圈输出电压减小 |
| D.原线圈输入功率减小 |
一理想变压器原、副线圈的匝数比为10∶1,原线圈输入电压的变化规律如图12甲所示,副线圈所接电路如图乙所示,P为滑动变阻器的触头.下列说法正确的是![]()
| A.副线圈输出电压的频率为5Hz |
| B.副线圈输出电压的有效值为31 V |
| C.P向右移动时,原、副线圈的电流比减小 |
| D.P向右移动时,变压器的输入功率增加 |
如图10所示,L1和L2是输电线,用电压互感器和电流互感器测输电功率。若已知甲的两线圈匝数比为50∶1,乙的两线圈匝数比为1∶20,并且已知加在电压表读数为 220V,电流表读数为5A,则输电线的输送功率为![]()
| A.甲是电压互感器,乙是电流互感器 | B.乙是电压互感器,甲是电流互感器 |
| C.1.1×104W | D.1.1×106W |
如图3所示,理想变压器原、副线圈的匝数比n1∶n2=4∶1,当导体棒l在匀强磁场中以速度v向左做匀速直线运动切割磁感线时,电流表
的示数是12 mA,则电流表
的示数为![]()
| A.3 mA |
| B.0 mA |
| C.48 mA |
| D.与负载R的值有关 |
某理想变压器原、副线圈匝数比为55∶9,原线圈所接电源电压按图所示规律变化,副线圈接有负载。下列判断正确的是( )![]()
| A.输出电压的最大值为36V |
| B.原、副线圈中电流之比为55∶9 |
| C.变压器输入、输出功率之比为55∶9 |
| D.交流电源的电压有效值为220V,频率为50Hz |