用理想变压器给纯电阻负载供电时,为了增大输入电流,下列办法中可行的是( )
| A.增加原线圈的匝数 | B.增加副线圈的匝数 |
| C.在副线圈上多串联一个电阻 | D.使绕制线圈的导线粗一些 |
为保证用户电压稳定在220 V,变电所需适时进行调压,图甲为调压变压器示意图。保持输入电压u1不变,当滑动接头P上下移动时可改变输出电压。某次检测得到用户电压u2随时间t变化的曲线如图乙所示。以下正确的是( )![]()
| A.u2=190 |
| B.u2=190 |
| C.为使用户电压稳定在220 V,将P适当下移 |
| D.为使用户电压稳定在220 V,将P适当上移 |
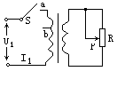
如图所示为一理想变压器,S为单刀双掷开关.P是滑动变阻器的滑动触头,U1为加在原线圈两端的电压,I1为原线圈中的电流强度,则( )![]()
| A.保持U1及P的位置不变,S由a合到b时,I1将增大 |
| B.保持P的位置及U1不变,S由b合到a时R消耗的功率减小 |
| C.保持U1不变,S合在a处,使P上滑,I1将增大 |
| D.保持P的位置不变,S合在a处,若U1增大,I1将增大 |
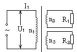
如图所示,理想变压器原线圈匝数为n1,两个副线圈匝数分别为n2和n3,且n1:n2:n3=4:2:1,输入电压U1=16V,R1=R2=10Ω,则原线圈的电流I1大小是( )
| A.0.4A | B.0.1A |
| C.0.5A | D.以上答案都不对 |
如图,电路中有四个完全相同的灯泡,额定电压均为U 。变压器为理想变压器,现在四个灯泡都正常发光,则关于变压器的匝数比n1:n2和电源电压U1,下列说法正确的是( ) ![]()
| A.1:2 2U | B.1:2 4U |
| C.2:1 4U | D.2:1 2U |
如图为理想变压器,三个灯泡L1、L2、L3都标有“5V,5W”,L4标有“5V,10W”,若它们均正常发光,则变压器原、副线圈匝数比n1∶n2和ab间电压分别为 ![]()
| A.2∶1, 20V | B.2∶1, 25V |
| C.1∶2, 25V | D.1∶2, 20V |
如图所示,变压器为理想变压器,原线圈两端接电压一定的正弦交流电源。当开关S闭合时,各盏灯的亮暗变化情况应是![]()
| A.L1变亮 |
| B.L2不变 |
| C.L3变暗 |
| D.L4变亮 |
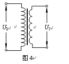
如图4所示,一理想变压器,当原线圈两端接U1=220V的正弦式交变电压时,副线圈两端的电压U2=55V.对于该变压器,下列说法正确的是( )![]()
| A.原、副线圈的匝数之比等于4:1 |
| B.原、副线圈的匝数之比等于1:4 |
| C.原、副线圈的匝数之比等于2:1 |
| D.原、副线圈的匝数之比等于1:2 |
理想变压器原线圈两端电压不变,当副线圈电路中的电阻减小时,以下说法不正确的是 ( )
| A.输出电流增大,输入电流减小 | B.输出电流增大,输入电流增大 |
| C.输出电压保持不变 | D.输出功率和输入功率都增大 |